User's Manual
Table Of Contents

COMSPHERE 3600 Series Data Service Units
5-32 March 1999 3610-A2-GB41-60
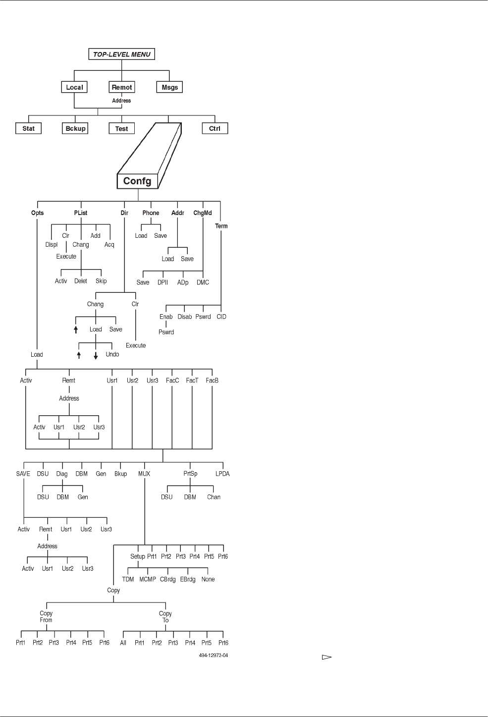
Options
The Options (Opts) submenu allows you to save, copy,
and/or change configuration options.
A DBM-V, DBM-S, or DBM-D can initiate a backup
call using one of the following setup methods: fully
automatic backup, partially automatic backup, or manual
backup. To configure the DSU-DBM for each of these
setup methods using the DBM and Backup configuration
option sets, refer to the COMSPHERE 3600 Series Data
Service Units, Models 3610 and 3611, Dial Backup
Module and SNA Diagnostic Interface Options,
Applications Guide.
When any part of the configuration is corrupted, reset
all configuration options using factory templates (FacC,
FacT, or FacB), and reenter the network address. Check
the protocol mode if there is an NMS connection, and
verify the Backup Directory entries and the local
telephone number.
Recall that Usr1 and Usr2 are storage areas for
user-defined configuration option sets, and that Usr3 is
shipped from the factory loaded with the configuration
option sets for a DBM-V, DBM-S, or DBM-D. Usr3 can
be overwritten. Refer to Appendix B of this guide for the
default configuration options for a DBM-V, DBM-S or
DBM-D should Usr3 be overwritten.
To learn how to edit (change) and save configuration
options, and for a complete description of all
configuration options, refer to the COMSPHERE 3600
Series Data Service Units, Models 3610 and 3611,
Operator’s Guide.
MUX Configuration Options
There are two submenus in the menu tree dedicated to
configuring the TDM or MCMP: MUX and PrtSp. These
submenus are used to select the mode of operation or
function (TDM, MCMP, Bridge, or None), and to set the
port options – port or channel speeds, an underspeed port
(if needed), or channel assignment to ports.
To access the MUX submenu from the top-level menu,
make the following selections:
• Local (F1), or Remote (F2) and Address
• Confg
• Opts
• Load from: Activ
• Press the
key to scroll the MUX selection into
view