User's Manual
Manuals
Brands
Paradyne Manuals
Computer Drive
Paradyne DATA SERVICE UNIT 3611
61
62
63
64
65
66
67
68
69
70
Table Of Contents
Table of Contents
List of Figures
List of Tables
Preface
Overview
Model 3610 Installation
Model 3611 Installation
Principles of Operation
DSU Operations
Data Service Unit Menu
Configuration Worksheets
Pin Assignments
Configuration Scenarios
Index
Principles of Operation
4-15
3610-A2-GB41-60
March 1999
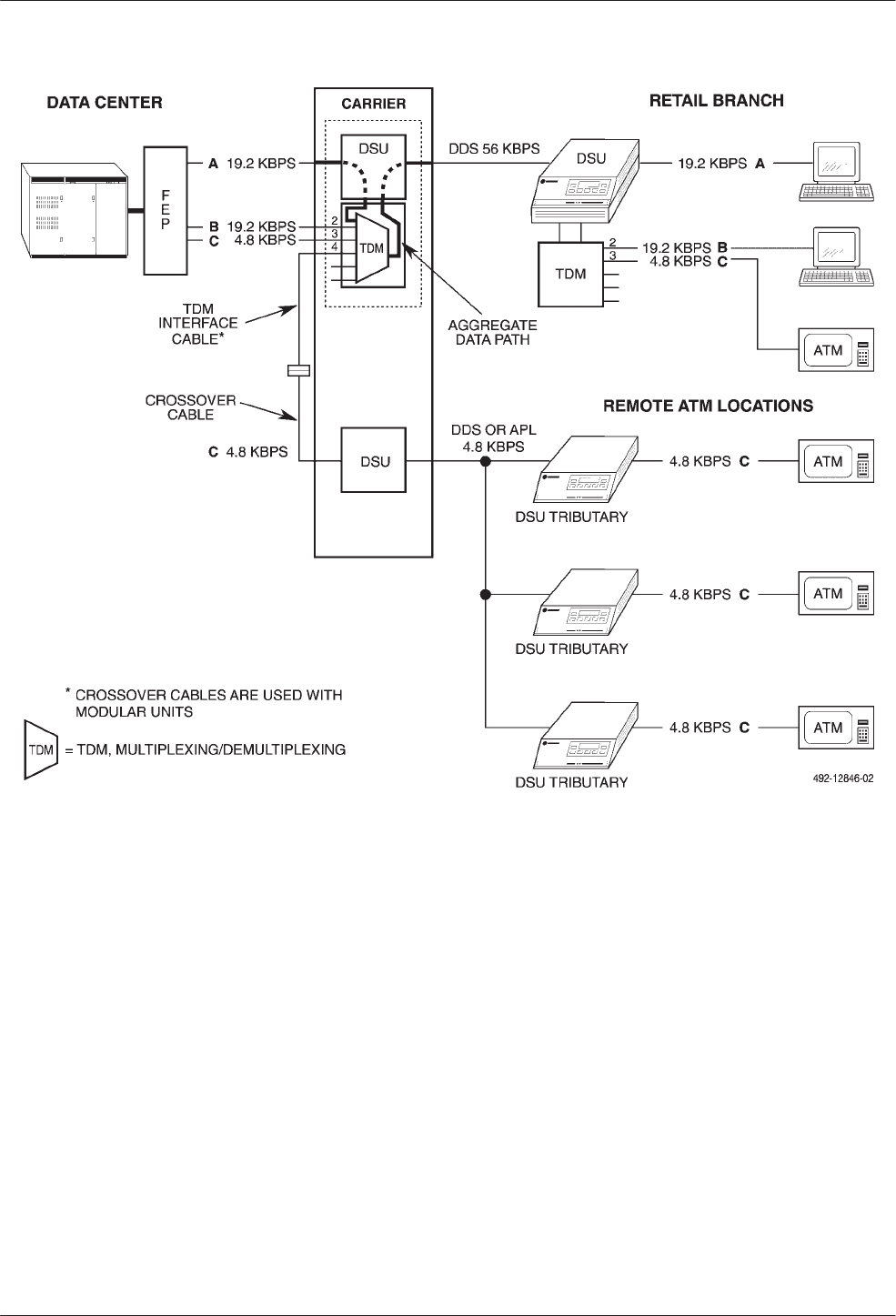
Figure 4-10.
FEP Port Sharing
1
...
...
65
66
67
68
69
...
...
238