User's Manual
Table Of Contents

COMSPHERE 3600 Series Data Service Units
4-42 March 1999 3610-A2-GB41-60
Multipoint Backup Architecture
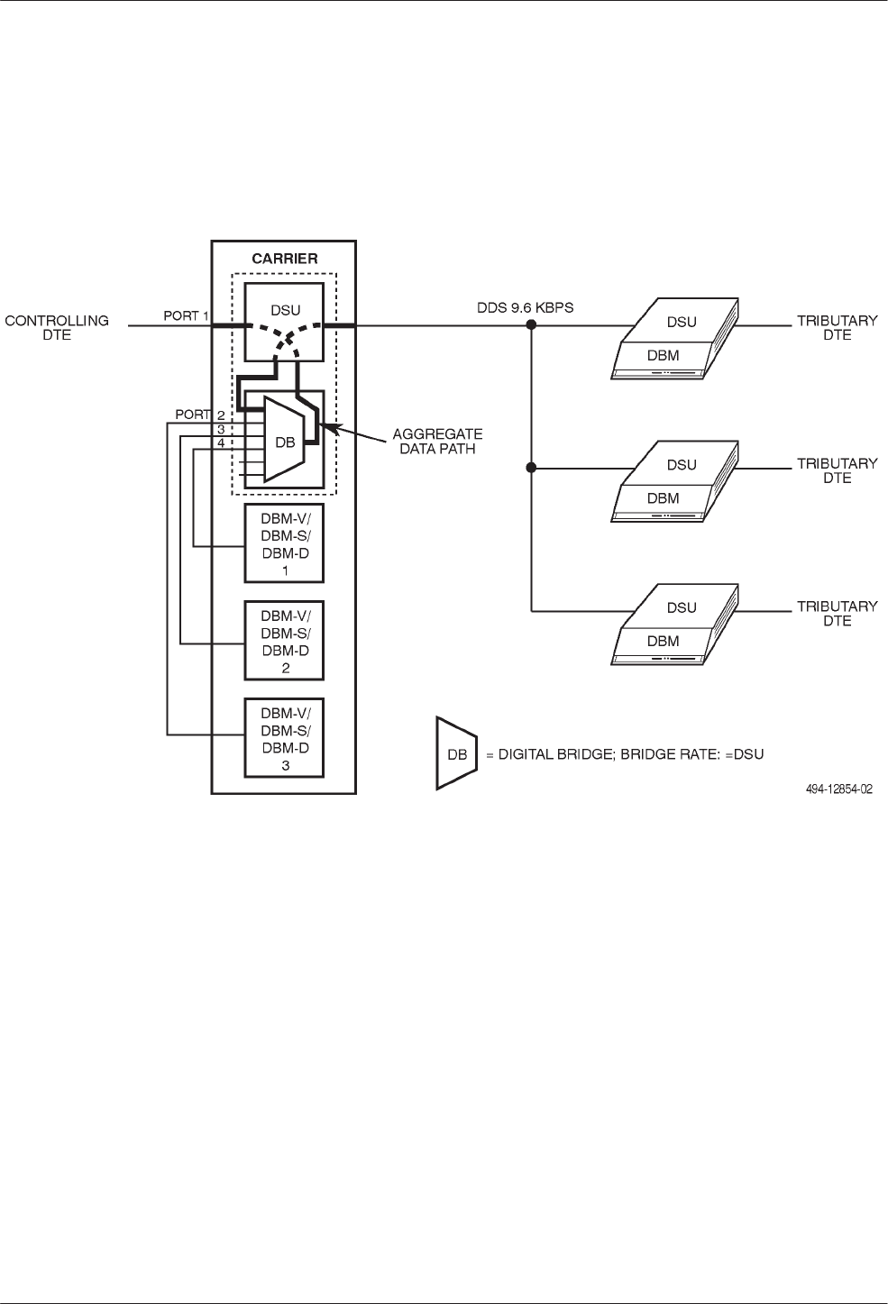
In a central-site multipoint dial backup configuration
during partial backup (configuration option Bridge Rate is
set to =DSU), the first port of the digital bridge is
included in the digital-sharing group. Under these
conditions, the digital bridge is active during normal
operation and valid backup calls are automatically put
onto the digital bridge (Figure 4-34).
Figure 4-34. Central-Site Bridging Architecture (9.6 kbps) –
Normal Operation with Partial Backup Possible