User's Manual
Table Of Contents

Principles of Operation
4-433610-A2-GB41-60 March 1999
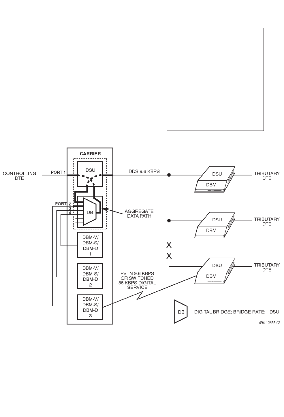
Data from the controlling DTE is broadcast to all ports
in the digital-sharing group, including the first port of the
digital bridge, where data is then directed through the
DSU to the DDS line.
When no dial backup is in effect (Figure 4-34), the
DDS core connected to the bridge is the only active port.
When partial backup is in effect and some tributaries
are still receiving data from the DDS line (Figure 4-35),
incoming data from the DDS line is merged with
incoming data from tributaries communicating with the
bridge via DBM-V, DBM-S, or DBM-D and backup
connections.
NOTE
In multipoint dial backup, the
DBM-Vs are configured for
external timing and the tributary
DBMs are configured for
received timing. Central-site
bridge timing (Brdg Timing) is
set to Int. A DBM-S or DBM-D is
automatically set for network
timing. For switched 56 kbps dial
backup, the central-site Bridge
Timing (Brdg Timing)
configuration option should be
set to Auto.
Figure 4-35. Central-Site Bridging Architecture (9.6 kbps) – Partial Backup in Effect