User's Manual
Table Of Contents

COMSPHERE 3600 Series Data Service Units
4-44 March 1999 3610-A2-GB41-60
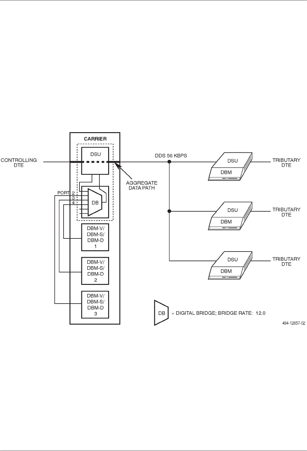
When full backup is in effect, there is no longer any
data communication from the DDS line. All tributaries are
communicating with the controlling DTE via the digital
bridge capability.
In a central-site multipoint dial backup configuration,
full backup is required if the DBM speed does not equal
the DSU speed, or if the control DSU reports No Signal or
Bipolar Violations. Under this condition, the bridge is
inactive during normal operation. To go into full backup,
the bridge may be activated by an 6800 Series NMS
Standby Facility (sf) command, or from the DCP Backup
(Bkup) command. Figures 4-36 and 4-37 illustrate this.
The 6700 Series NMS software uses a Device
Management window to indicate device status.
For full backup, it is assumed that the control DSU is
no longer receiving valid DDS timing. In this case, the
control DSU must be commanded from the DCP or NMS
to go into full backup. This action switches the connection
from the DDS line to the bridge and causes the digital
bridge to switch to the timing that is stored in the Brdg
Timing configuration option.
Figure 4-36. Central-Site Bridging Architecture (56 kbps) – Inactive Digital Bridge