User's Manual
Manuals
Brands
PASCO Specialty & Mfg. Manuals
Table Top Game
PASCO Specialty & Mfg. Variable Output Air Supply SF-9216
1
2
3
4
5
6
7
8
9
10
3
012-02141H
Variable Output Air Supply
®
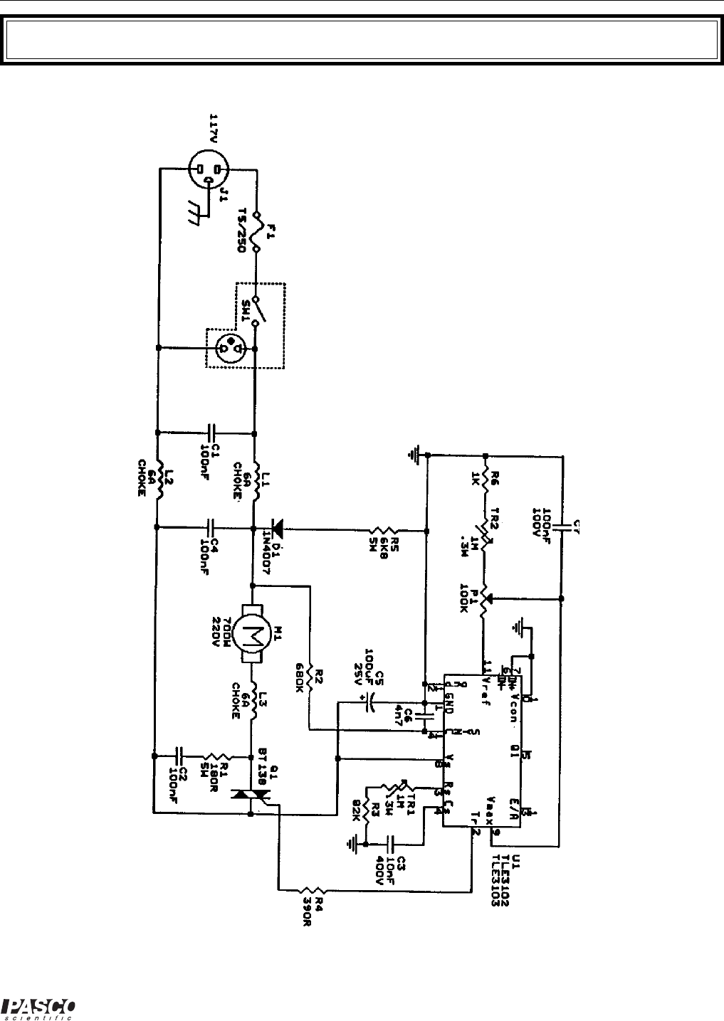
Figure 2
PCB Schematic
1
...
...
5
6
7
8
9
...
10