User Guide

P/N 472128 Rev. C 1-22-04
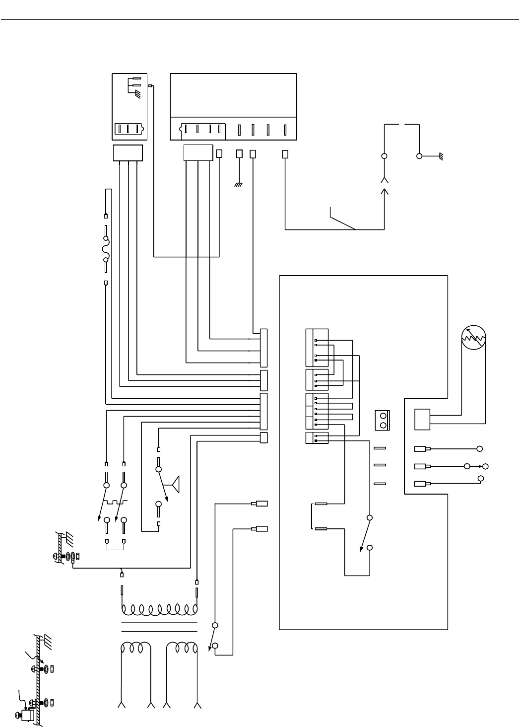
30
Installation (contd.)
RED
WHT
BLU
MV
PV/MV
PV
GAS VALVE
MV/PV
GND
(BURNER)
24 V
TH-W
( OPT )
SPARK
THERMOSTAT
CIRCUIT BOARD
SPST. EXTERNAL ON/OFF SWITCH
HIGH LIMIT
THERMAL SWITCHES
WATER PRESSURE
SWITCH
JUMPER REQUIRED IF NO REMOTE SWITCH
CONTROL RELAY
CLOSE ON CALL
FOR HEAT
POOL OFF SPA
THERMOSTAT SELECT SWITCH
TEMPERATURE
PROBE
GND
MV
IGNITION MODULE
SPARK IGNITER
IGNITION WIRE
RED
BLU
WHT
THERMAL FUSE
RED
RED
WHT
WHT
PV
ORG
P4
P7
PI0
P11
J4
J7
JI0
J11
J5
J6
J8
J9
P8
P6
P5
P9
25D K .032 D.C TAB
J2
J3
BLK
BLK
PLUG
MV
MV/PV
PV
PLUG
GRN
IGNITION RETURN
F1
F2
W1
W2
MV
PV
PV/MV
6
1
1
1
1
2
2
2
2
3
3
3
4
4
5
L1-1
L1-2
L2-1
L2-2
1
1
1
1
GRN
WHT
ORG
24V VLV
IGN MODULE
AUX.
CONTACTS
TPROBE
SPA
COM
POOL
EXTERNAL
BOND LUG
CHASSIS
TERMINATE SUPPLY SAFETY GROUND WIRE (GREEN) HERE
GROUND SCREW WITH PAINT CUTTING WASHER
SHEET METAL
INTERCONNECTING WIRING TO APPLIANCE MUST CONFORM TO THE NATIONAL ELECTRICAL
THERMAL FUSE WIRING MUST BE REPLACED WITH UL OR CSA (IF CANADA) APPROVED
UL OR CSA (IF CANADA) APPROVED WIRE, 18 GAUGE, 600V, 105 C TEMPERATURE RATING.
IF ORIGINAL FACTORY WIRING MUST BE REPLACED, INSTALLER MUST SUPPLY
CODE OR SUPERCEDING LOCAL (WIRING) CODES.
WIRE, 18 GAUGE, 600V, 125 C TEMPERATURE RATING..
MiniMax Plus WIRING DIAGRAM
PRESS
HLMT
TFUSE
GRN
WHT/RED
WHT/BLK
BLK
RED
T2
T1
CHASSIS
SHEET METAL
MiniMax CH (150 IID Model) Electronic Ignition Wiring Diagram
A-8
MiniMax CH 150 IID Wiring Diagram