Installation Sheet

PERLICK RESIDENTIAL COLUMN REFRIGERATION INSTALLATION INSTRUCTIONS
perlick customer service (800)558-5592 | 13
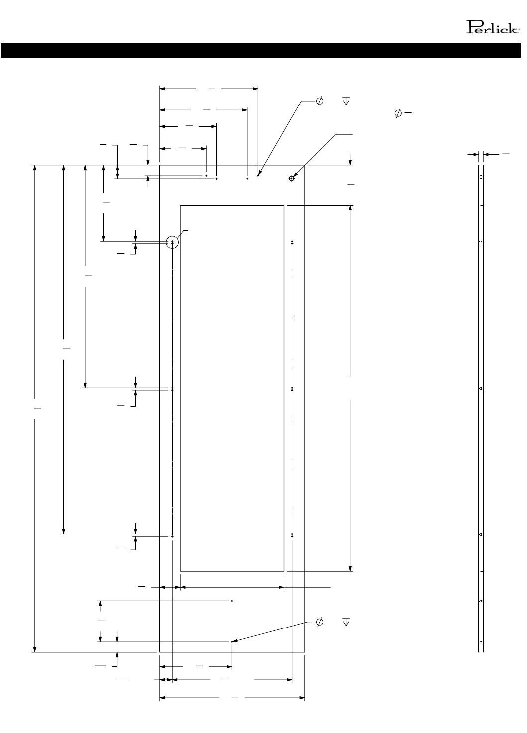
GLASS DOOR TEMPLATE FOR 4” TOE KICK
7
5
8
"
16
1
8
"
12
1
2
"
3
8
"
36
1
2
"
60
1
2
"
6
5
8
"
60"
CUTOUT
17" CUTOUT
2
1
16
" TYP
19
5
8
" TYP
1
3
4
"
3
4
"
FOR LOCK OPTIONAL
USE DRILL FIXTURE TO
LOCATE HOLE
23
3
4
"
79
7
8
"
3
3
8
"
.136
.500 (4X)
3
8
"
3
8
"
2
1
4
"
14
3
8
"
9
3
8
"
11
7
8
"
.136
.500 (2X)
1
11
16
"
6
3
4
"
A
3
4
"
1
8
"
1/2" (6X)
3
16
"
1/2" (6X)
DETAIL A
SCALE 1 : 2
OVERLAY CLIP MTG HOLES
REV.
DESCRIPTION
DATE
APPROVED
REVISIONS
F
REVISED MTG HOLE LOCATIONS AND COND. AIRFLOW
DIVIDER MTG HOLES
11/8/2017
JMP
E
UPDATED CLIP MTG HOLE LOCATIONS
10/6/2017
JMP
D
REVISED WINDOW SIZE BY INCREASE CUTOUT WIDTH AND
HEIGHT BY 1-1/4" OVERALL
10/5/2017
JMP
C
ADDED HOLES FOR CONDENSER AIR DIVIDER
10/3/2017
JMP
B
UPDATED HOLE PATTERN FOR ADJUSTMENT BRKT
8/25/2017
JMP
A
INITIAL RELEASE
11/8/2016
TEC
2
2
B
A
3
C
B
1
C
1
3
SW
C:\Perlick\Engineering\Projects\Refrigeration\1601802\CAD Files\1007917.slddrw
11/28/2016
11/08/2017
JMP
JMP
-
DIMENSIONS ARE IN INCHES TOLERANCES:
THIS DOCUMENT / PUBLICATION / SOFTWARE / DRAWING CONTAINS PROPRIETARY INFORMATION WHICH IS THE PROPERTY OF THE PERLICK CORPORATION. IT MAY NOT BE REPRODUCED OR TRANSMITTED IN ANY
FORM, ELECTRONIC OR MECHANICAL, INCLUDING PHOTOCOPYING, RECORDING, OR USED IN ANY INFORMATION STORAGE, TRANSMISSION, OR RETRIEVAL SYSTEM, WITHOUT WRITTEN PERMISSION FROM THE PERLICK
CORPORATION. COPYRIGHT 2015 PERLICK CORPORATION. ALL RIGHTS RESERVED.
DRAWN BY:
APPROVED BY:
FINISH:
QTY.:
HOLES:
.0135 THRU
.125:
.004
.1260 THRU
.250:
.005
.2510 THRU
.500:
.006
.5010 THRU
.750:
.008
.7510 THRU
1.000:
.010
1.001 & UP:
.012
BREAK SHARP EDGES - .015 X 45°
RADIUS SHARP FILLETS - .015 TO .031
UNLESS OTHERWISE SPECIFIED:
MATERIAL:
DATE
SIGNATURES
Milwaukee, Wisconsin
Perlick Corporation
DWG NO.
REFERENCE:
PART NO.
PURCHASE REC.:
TITLE:
1007917
1007917
FOR COLUMN WINE
OVERLAY, WOOD, 4'' TOE KICK
SCALE = 1:10
SHEET 1 OF 4
A
WOOD










