Installation Sheet

PERLICK RESIDENTIAL COLUMN REFRIGERATION INSTALLATION INSTRUCTIONS
12 | perlick.com/residential
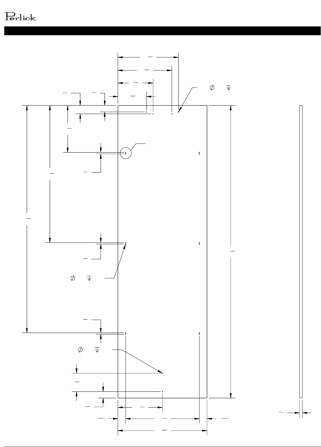
SOLID DOOR TEMPLATE FOR 6” TOE KICK
23
3
4
"
77
7
8
"
12
1
2
"
36
1
2
"
60
1
2
"
3
8
"
3
8
"
3
8
"
(4X)
.136 .500
2
1
16
"
19
5
8
"
2
1
16
"
7
5
8
"
9
3
8
"
14
3
8
"
16
1
8
"
1
3
4
"
2
1
4
"
(12X)
.188
.250
11
7
8
"
1
3
4
"
4
7
8
"
(2X)
.136
.250
B
3
4
"
1
8
"
1/2" (6X)
3
16
"
1/2" (6X)
DETAIL B
SCALE 1 : 2
OVERLAY MTG CLIP DETAIL
REV.
DESCRIPTION
DATE
APPROVED
REVISIONS
C
REVISED CLIP HOLE LOCATIONS AND COND.
AIRFLOW MTG HOLE LOCATIONS
11/8/2017
JMP
B
ADDED CONDENSER DIVIDER HOLES
10/3/2017
JMP
A
RELEASE FOR PRODUCTION
8/25/2017
JMP
2
2
B
A
3
C
B
1
C
1
3
SW
C:\Perlick\Engineering\Projects\Refrigeration\1601802\CAD Files\1007916.slddrw
04/11/2017
11/08/2017
GJ
JMP
-
DIMENSIONS ARE IN INCHES TOLERANCES:
Ang = ±1.0°
Frac. = ±1/16
THIS DOCUMENT / PUBLICATION / SOFTWARE / DRAWING CONTAINS PROPRIETARY INFORMATION WHICH IS THE PROPERTY OF THE PERLICK CORPORATION. IT MAY NOT BE REPRODUCED OR TRANSMITTED IN ANY
FORM, ELECTRONIC OR MECHANICAL, INCLUDING PHOTOCOPYING, RECORDING, OR USED IN ANY INFORMATION STORAGE, TRANSMISSION, OR RETRIEVAL SYSTEM, WITHOUT WRITTEN PERMISSION FROM THE PERLICK
CORPORATION. COPYRIGHT 2015 PERLICK CORPORATION. ALL RIGHTS RESERVED.
DRAWN BY:
APPVD BY:
FINISH:
QTY.:
HOLES:
.0135 THRU
.125:
.004
.1260 THRU
.250:
.005
.2510 THRU
.500:
.006
.5010 THRU
.750:
.008
.7510 THRU
1.000:
.010
1.001 & UP:
.012
BREAK SHARP EDGES - .015 X 45°
RADIUS SHARP FILLETS - .015 TO .031
UNLESS OTHERWISE SPECIFIED:
MATERIAL:
DATE
SIGNATURES
Milwaukee, Wisconsin
Perlick Corporation
DWG NO.
REFERENCE:
PART NO.
PURCHASE REC.:
TITLE:
1007916
1007916-2
COLUMN REFRIGERATOR / FREEZER
DOOR WOOD FASCIA - 6" TOE KICK
SCALE = 1:10
SHEET 2 OF 2
A
WOOD










