User Manual

32
INSTALLATION AND ASSEMBLY
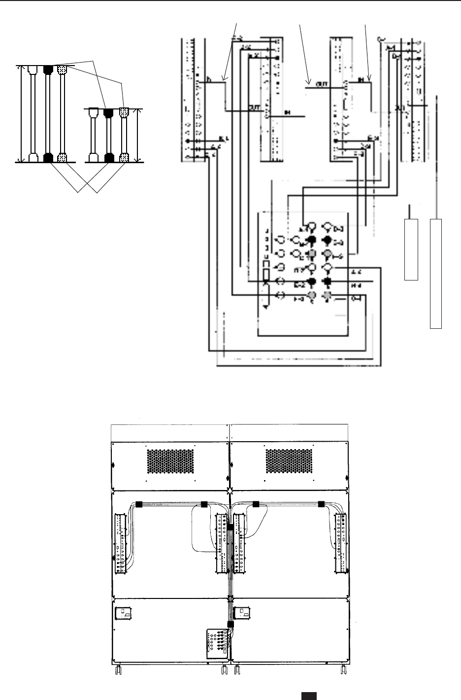
(3) Connection
Cable clamp
(Fig.3-14)
Linking cable (Cord with 6P mini DIN)
(Fig.3-13)
Remote control unit
RS-232C communication connector
Accessories
¶Coaxial cable
130
260
A B C D E F
Black
¶Linked cable 6P mini DIN cord
Connect as shown in Fig. 3-13 using the
cable provided.
After connecting, secure with a cable
clamp. (Fig. 3-14).
(Note)
When connecting the RS-232C communica-
tion connector and remote control unit from
the leftmost (as seen from the back), con-
nect IN and OUT linking cables (cords with
6P mini DIN) the other way around.
OrangeBlack
Orange










