Specification
Manuals
Brands
Plumbers Edge Manuals
Heater Accessories
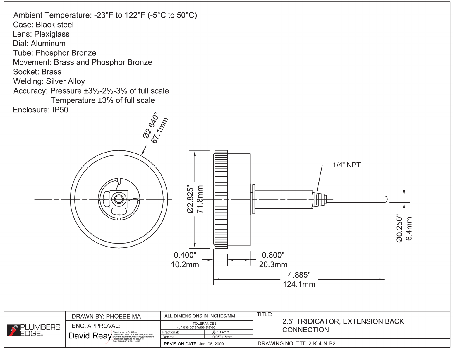
Tridicator/Boiler Temperature and Pressure Gauge
1
1
Summary of content (1 pages)
PAGE 1