User`s manual
Table Of Contents
- 1 Introduction
- 2 Setting Up The Printer
- 3 Operating The Printer
- 4 The Configuration Menus
- 5 Interfaces
- 6 Troubleshooting
- A Printer Specifications
- B Demand Printing
- C ASCII Character Set
- D Communication Notices

47
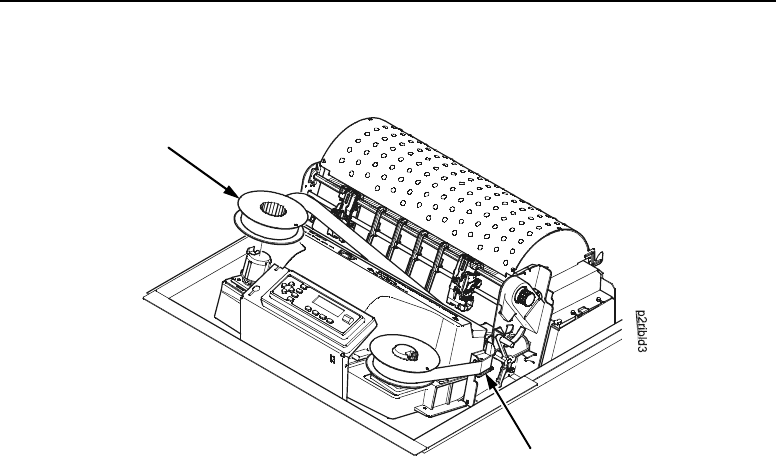
Load The Ribbon
Figure 29. Threading the Ribbon around the Ribbon Guide
6. Thread the ribbon around the ribbon guide and along the ribbon
path. Be sure to thread the ribbon between the hammer bank
cover and the ribbon mask. (See page 24.)
7. Place the empty spool on the left hub.
8. Press the spool down until the hub latch snaps into place.
9. Turn the left spool by hand to make sure the ribbon tracks
correctly in the ribbon path and around the ribbon guides.
NOTE: The P5220 printer automatically winds the leader onto the
spool, once the printer is set online and the next print job is
received.
Ribbon Guide
Left Hub










