User's Manual Printer T5000
Table Of Contents
- Table of Contents
- 1 Smart Label Developer’s Application And Reference Notes
- 2 Printer Setup
- 3 Smart Label Development
- Index

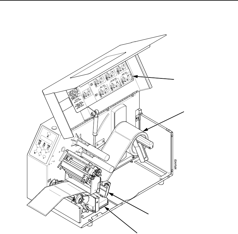
Loading Roll Media
31
6. Raise the media damper.
7. Route the media as illustrated on the media and ribbon loading
instructions (or refer to the arrows on the printer frame).
NOTE: The media damper must be raised up and the media must
rest on top of the RFID UHF encoder.
Media and
Ribbon Loading
Instructions
Media Damper
RFID UHF Encoder
Media










