Installation Guide

11
CONNECTING TO GAS SUPPLY
WARNING: A qualified technician must connect heater to gas supply. Follow all local codes.
WARNING: This appliance requires a 3/8 in. NPT inlet connection to pressure regulator (see Figure 5).
CAUTION: Never connect heater directly to the gas supply. This heater requires an external regulator (not supplied). The
external regulator between the gas supply and heater must be installed.
INSTALLATION ITEMS NEEDED
Before installing heater, make sure you have the items listed below.
piping (check local codes)
sealant (resistant to propane/LP gas)
equipment shutoff valve*
test gauge connection**
sediment trap
tee joint
pipe wrench
Flexible Gas hose (check local code)
A CSA design-certified equipment shutoff valve with 1/8 in. NPT tap is an acceptable alternative to test gauge
connection. Purchase the optional CSA design certified equipment shutoff valve from your dealer.
WARNING: Never connect heater to private (non-utility) gas wells. This gas is commonly known as wellhead gas.
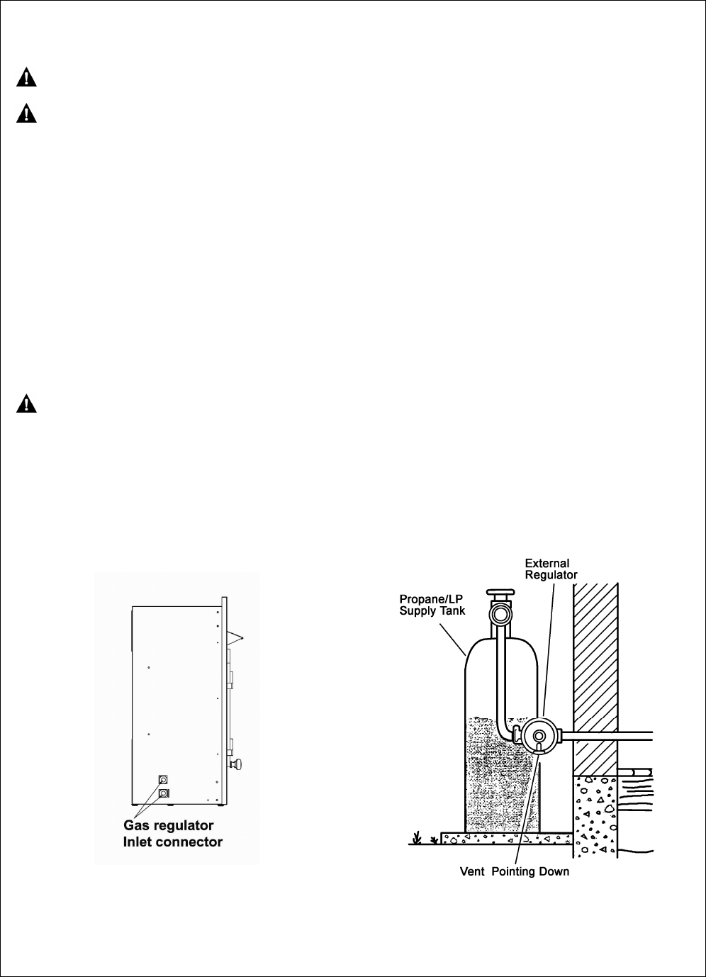
The installer must supply an external regulator. The external regulator will reduce incoming gas pressure. You
must reduce incoming gas pressure to between 11 and 14 inches of water column for propane and between 5
and 10.5 inches of water column for natural gas. If you do not reduce incoming gas pressure, heater regulator
damage could occur. Install external regulator with the vent pointing down as shown in Figure 6. Pointing the
vent down protects it from freezing rain or sleet.
Figure 6 - External Regulator With
Vent Pointing Down
Figure 5 - Gas Regulator Location and Gas
Line Access into Stove Cabinet










