Installation Manual
Manuals
Brands
Progress Lighting Manuals
Bathroom Lighting
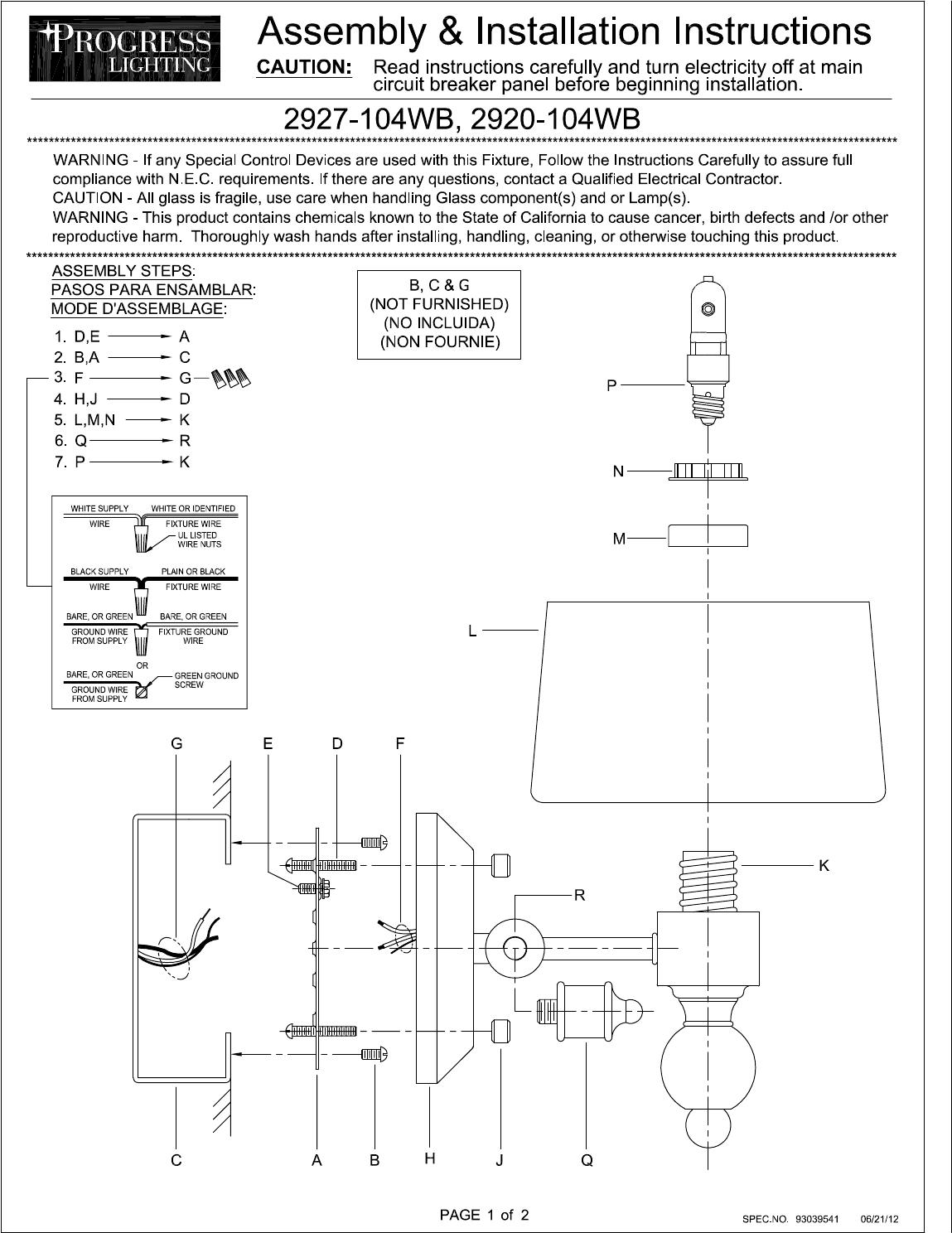
Fortune Collection 3-Light Polished Nickel Vanity Fixture
1
2
1
2
Summary of content (2 pages)
PAGE 1
PAGE 2