Installation Guide
Manuals
Brands
Progress Lighting Manuals
Other
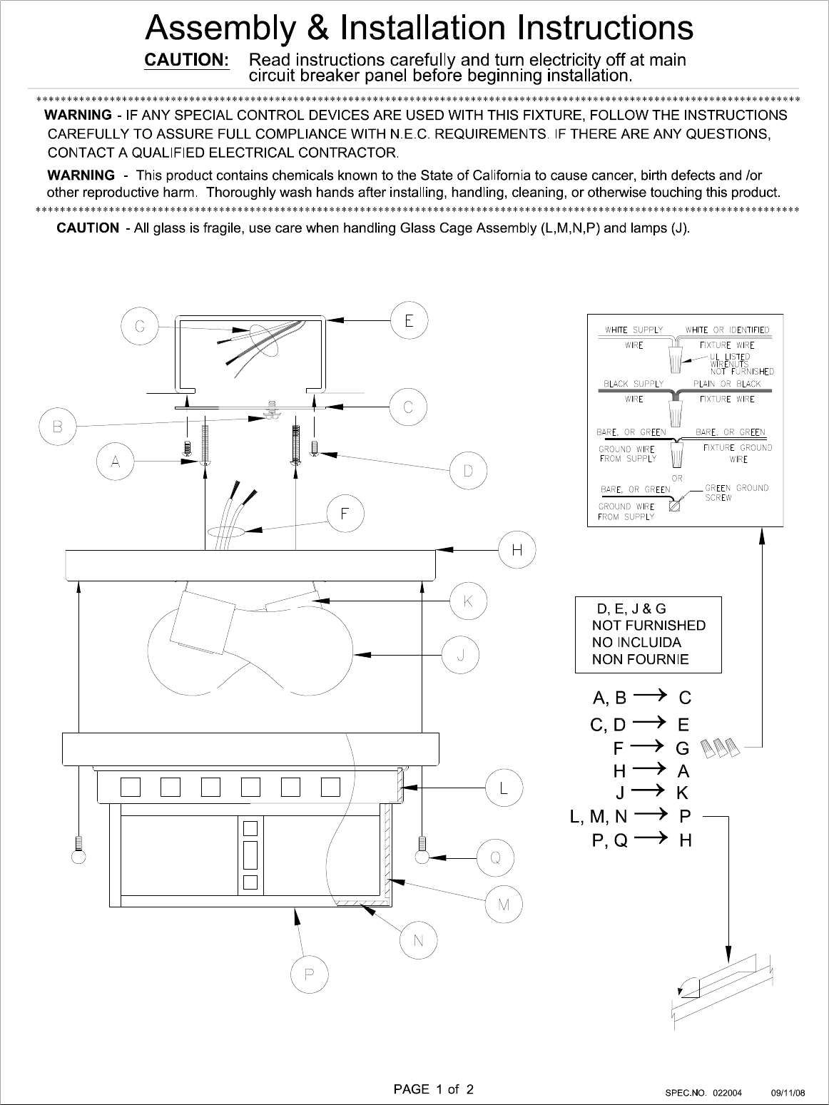
Arts and Crafts Collection 2-Light Weathered Bronze Flushmount
1
2
1
2
Summary of content (2 pages)
PAGE 1
PAGE 2