Installation Guide
Manuals
Brands
Progress Lighting Manuals
Lighting
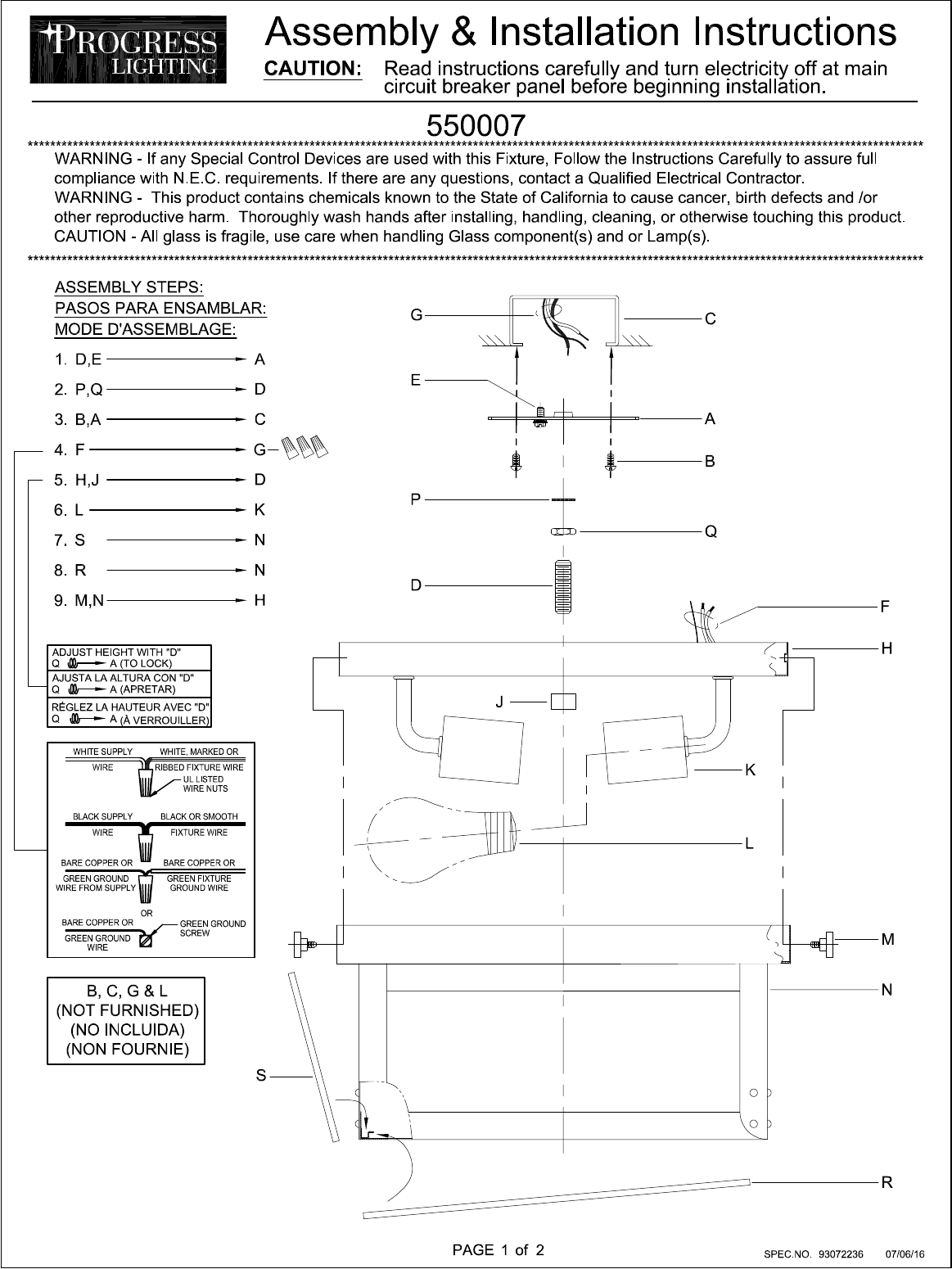
Union Square Gray 2-Light Outdoor Flushmount
1
2
1
2
Summary of content (2 pages)
PAGE 1
PAGE 2