Installation Guide
Manuals
Brands
Progress Lighting Manuals
Other
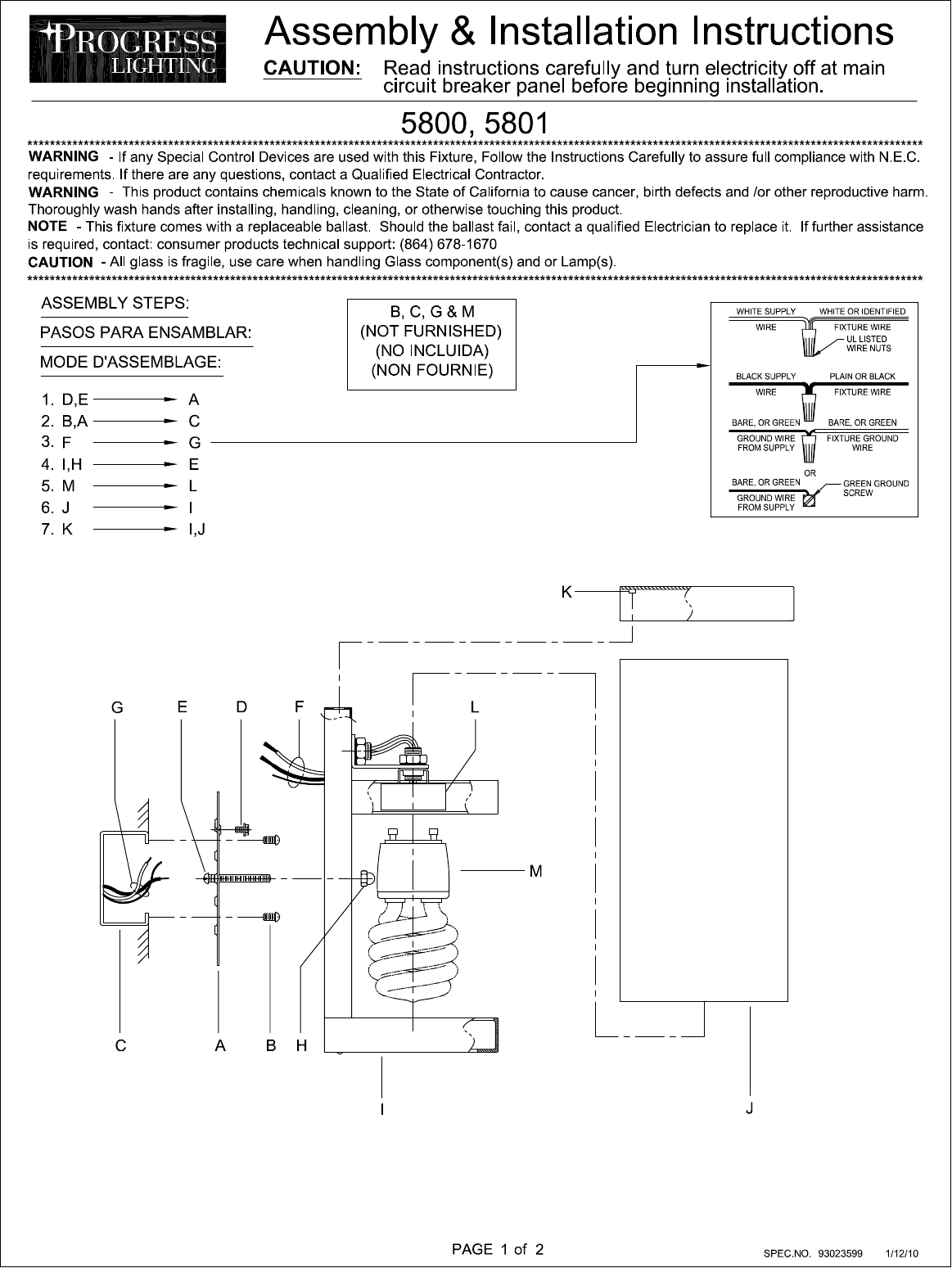
Valera Collection 1-Light Antique Bronze Wall Lantern
1
2
1
2
Summary of content (2 pages)
PAGE 1
PAGE 2