Installation Guide
Manuals
Brands
Progress Lighting Manuals
Lighting
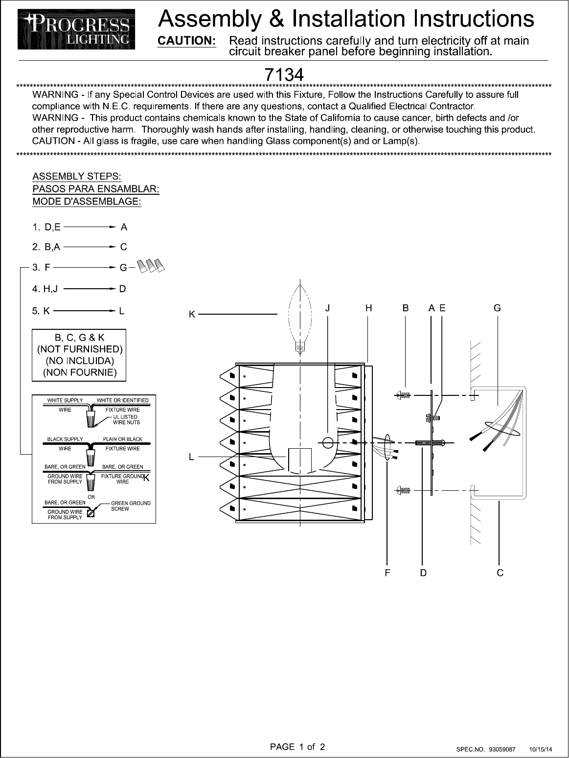
The Pointe Collection 1-Light Polished Chrome Wall Sconce with Clear and Champagne Glass
1
2
1
2
Summary of content (2 pages)
PAGE 1
PAGE 2