Owner's manual
Manuals
Brands
Protec Manuals
Photo Printers
Protech Compact2 Film Processor SX 2
49
50
51
52
53
54
55
56
57
58
COMP
ACT 2
TM
55
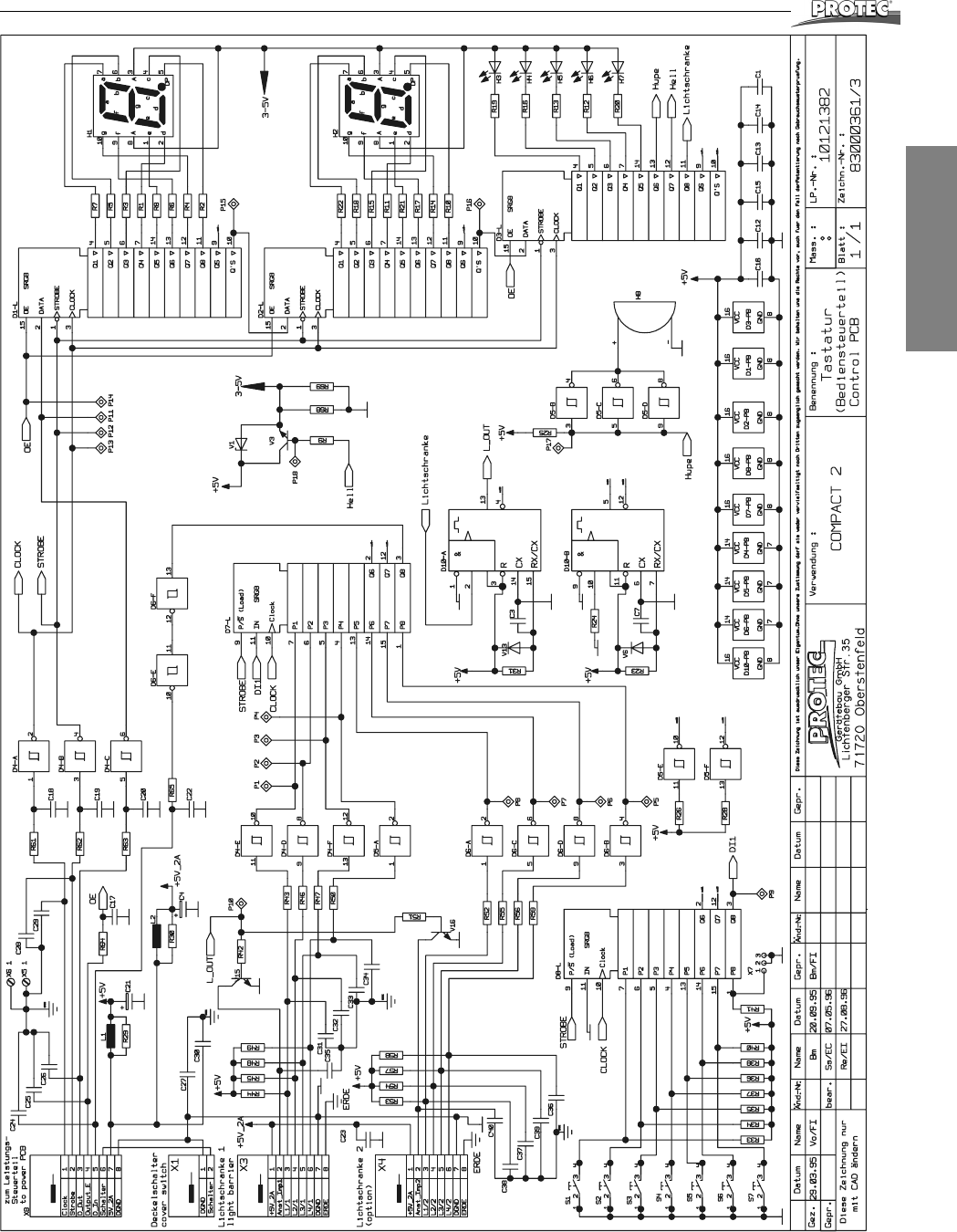
Electric Diagrams
English
®
1
...
...
53
54
55
56
57
...
58