Photo Printer User Manual
Manuals
Brands
Protec Manuals
Printer
SX 2
41
42
43
44
45
46
47
48
49
50
COMP
ACT 2
TM
49
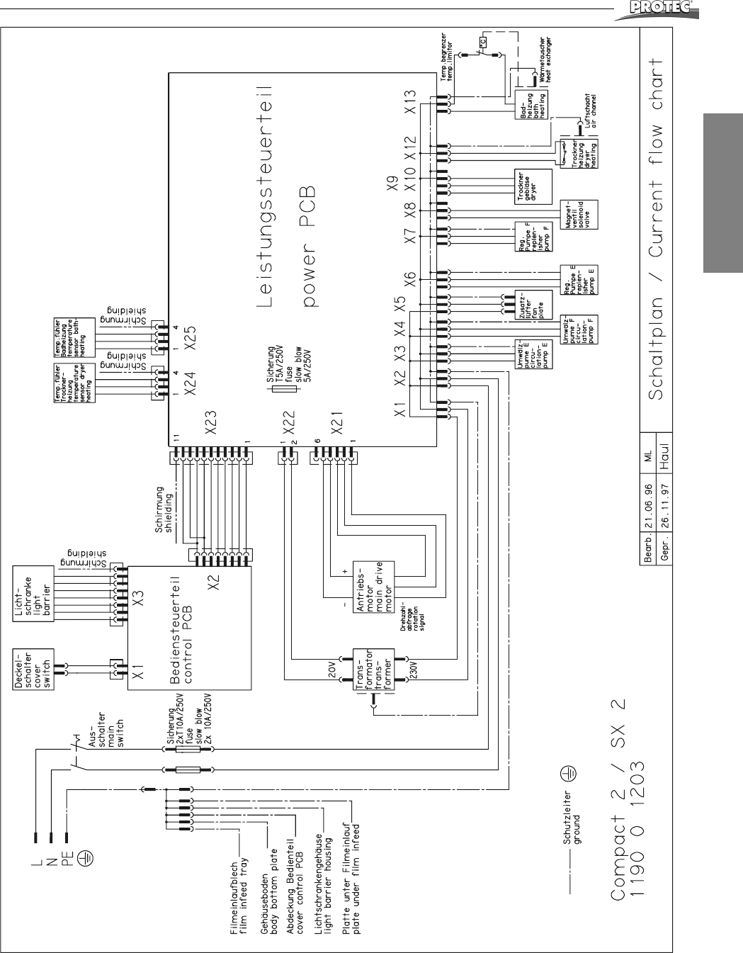
Electric Diagrams
English
®
1
...
...
47
48
49
50
51
...
...
58