Photo Printer User Manual

52 COMPACT 2
TM
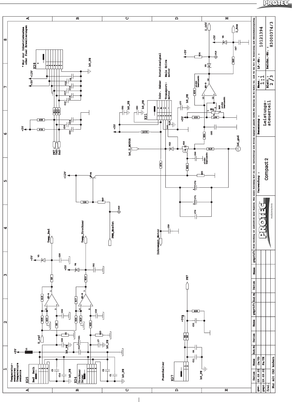
Electric Diagrams
®
+5V
+5V
+5V
+5V
Leistungs-
steuerteil
+5V
23
C7
C20
A
+5V
+5V
+5V
gepruft
11
....
-
..
-
..
LP.-Nr. :
Zeichn.-Nr. :
/
:
Mass. :
Blatt :
Benennung :
gepr.
gez.
Datum Name
..
gepruftDatum
Name
And Nr
..
Datum Name
And Nr
1
2 3 4 5 6 7 8
A
B
C
D
E
A
B
C
D
E
..
Nur mit CAD andern
frei.
LP.-Nr. :
Zeichn.-Nr. :
/
:
Mass. :
Blatt :
Benennung :Verwendung :
Diese Zeichnung ist ausdrucklich unser Eigentum. Ohne unsere Zustimmung darf sie weder vervielfaltigt noch Dritten zuganglich gemacht werden.Wir behalten uns die Rechte vor, auch fur den Fall der Patentierung nach Gebrauchsmusterprufung.
+5V
C41
Transport- Main drive
motor motor
C28
Trockner
Dryer
L1
C66
C59
-
+
+12V
-
+
+12V
+
+
V8
V6
V5
V23
V4
Bad Bath
nicht
bestueckt
V20
V3
Nur zur Inbetriebnahme
oder fuer Erweiterungen
*
*
10121394
09.09.05 Fs/TK
X24
83000374/3
b9_PE
b9_PE
+
+
R49
R51
R5
R59
09.09.05 Js/TD
R34
R40
R58
1
Inkr. Geber Rotationsignal
b9_PE
2
3
R4
R6
C13
R11
C22
C39
R13
R12
C72
2
4
3
1
R48
R14
b9_PE
R82
R74
R83
b9_PE
R36
R105
R84
R16
R9
b9_PE
-
b9_PE
b9_PE
b9_PE
b9_PE
-
b6_net349
b6_gnd
b6_U_MOTOR
U_ref
4
3
2
Temperatur-
sensoren
Temperature
sensors
1
X25
R47
R39
R78
R28
R1
R24
R23
TxD
R17
R18
R33
R19
R22
P29
P19
7
6
5
4
cw
3
2
1
X28
Temp_Trockner
C47
Temp_Bad
RxD
2
+
1
X27
PWM_Mosfet
C33
PE7
PE7
C4
Fusschalter
Inkrement_Motor
I_Off
nicht
bestueckt
C11
I_Ana
C36
C35
C34
C19
C18
C17
6
5
4
C16
3
C15
2
C5
C70 C71
C65
C14
C3
1
X21
14
C1
13
12
C77
N2-D
nicht
bestueckt
7
6
+5V
5
N2-B
C80
-
+
1
C82
C21
C2
2
3
N2-A
Compact 2