Installation Manual User guide

PS Engineering
PMA7000M-S Series Audio Selector Panel and Intercom System
Installation and Operator’s Manual for Civil Air Patrol
200-072-0004 Appendix D Rev. 4, Sept. 2000
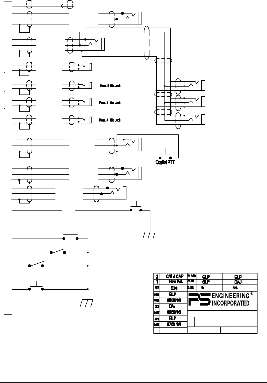
Appendix D Top Connector Interconnect
18
10
1
4
D
16
15
T
A
REV
DATE:
SHEET OF
TITLE:
DOCUMENT NUMBER:
SIZE
PMA7000 CAP Top Connector Wiring
120-070-0402 2
07/01/98
1 1
9800 MARTEL ROAD, LENOIR CITY TN 37922
Notes:
1. Pins A, C, P, and S not used.
2. All shields should be grounded at audio panel only.
other end remains floating.
3. See Message Annunciation section for
more information.
4. All phone and mic jacks must be floating from ground.
5. Keying between pin 4 & 5.
6. All wiring to conform to MIL 22759 or 27500.
7.For a PTT intercom, ground pin 18. This will force intellivox closed.
Connect pin L (copilot) and pin M (pilot) to
ground through a momentary switch. Grounding these pins will
open the respective VOX circuit, and pass mic signals.
8. Ent. # 1 is heard in the pilot and copilot positions only,
Ent. #2 is heard in the passenger positions only.
See section 2.4.10.1.2
9. SWAP Switch is required for full CAP functionality.
2
3
B
Copilot Phones (L)
Copilot Phones (R)
Copilot Phones Lo
Pilot Phones (L) -see bottom connector.
12
11
N
Pass. Phones (L)
Pass Phones (R)
Pass. Phones Lo
Pass. 1 Mic Jack
Pass. Mic Lo
Pass. Mic Hi
Pass. 1 PhonesJack
5
E
Pass. Mic Lo
Pass. Mic Hi
Pass. 2 Phones Jack
6
F
Pass. Mic Lo
Pass. Mic Hi
Pass. 3 Phones Jack
7
H
Pass. Mic Lo
Pass. Mic Hi
Pass. 4 Phones Jack
8
9
K
Copilot Mic Audio
Copilot PTT
Copilot Mic Lo
Copilot Mic Jack
Ent. #1 Audio (L)
Ent. #1 Audio (R)
Ent. #1 Audio Lo
Ent. #1 Input
Ent. #2 Input
14
13
R
Swap
Switch
L
Copilot ICS-PTT
V
PTT Enable
Ent. #2 Mute
M
Notes 2, 4
Note 7
Ent. #2 Audio (L)
Ent. #2 Audio (R)
Ent. #2 Audio Lo
Swap
PMA7000M-S J2 TOP CONNECTOR (CAP)
Note 8
Pilot ICS PTT
Note 9










