Installation Manual User guide

PS Engineering
PMA7000M-S Series Audio Selector Panel and Intercom System
Installation and Operator’s Manual for Civil Air Patrol
200-072-0004 Appendix F Rev. 4, Sept. 2000
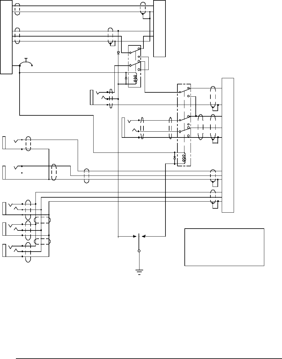
c. This prevents the passenger's voice from going out instead of the copilot's.
d. If pass 1 does not push the ICS PTT switch, he will be heard on the passenger
intercom, but NOT in crew intercom in CREW or Split modes.
Copilot Phones Audio (L)
Copilot Phones Audio (R)
Copilot Audio Lo
2
3
B
Copilot
Phones Jack
K1
NOTES:
1. Pass 1 can only transmit on CAP radio.
2. Pilot and copilot can still hear CAP radio
3. Pilot and copilot can hear passenger transmit.
4. Pilot and copilot positions still have use of
all 3 radios except when the Pass 1 is in ICS PTT.
5. Pass 1 push to talk puts him on CAP com only.
6. The crew can hear, but cannot transmit on COM 3
while the PASS 1 has radio keyed.
7. When the Pass 1 uses the ICS PTT, he overrides
the copilot on the intercom.
When the PTT ICS is activated,
the copilot cannot transmit.
This prevents the passenger's voice from going out instead of the copilot's.
If pass 1 does not push the ICS PTT switch, he will be heard on the passenger intercom,
but NOT in crew intercom in CREW or Split modes.
Audio Low (ref)
1
+28 V
Power
Pass. 1
NPX PTT
Pass. 1
Phones Jack
Pass. 2
Phones Jack
Pass. 3
Phones Jack
Pass. 4
Phones Jack
PMA7000-CAP
Top Connector
Pass Phones Audio (L)
Pass Phones Audio (R)
Pass Audio Lo
11
12
N
4
D
Pass 1 Mic Audio Hi
Pass 1 Mic Audio Lo
PMA7000-CAP
Bottom Connector
Mic Audio Hi
Mic Audio Lo
Mic Key
K
15
J Com 3 Audio Hi
NAT
NPX138
Mic Audio Hi
Mic Audio Lo
Mic Key
7
19
8
9
21
Rx Audio Hi
Rx Audio Lo
8 Copilot Mic Audio Hi
Copilot Mic PTT
K
Copilot Mic Audio Lo
K2
Pass Mic Jack
Copilot Mic Jack
Pass. 1
ICS PTT
9
SPDT
Center off,
momentary switch
K1 and K2 Potter & Brumfield
KHS-17D11-24 (24V aircraft)
Diodes- 1N4004 (3 each)
Switch, SPDT Momentary, Center off
C&K Part options:
--Mil Spec-- 11TW1-7, MS27718-27-1 (Newark 23F2131)
--Industrial 11TS15-7 (Newark 23G2118)
--Standard 7105SYZQE (Newark 21F652)
SW1
1
5
8
4
9
12
13
14
1
5
2
4
9
12
13
14
10
PMA7000-CAP
Observer Transmit Wiring
PS Engineering Inc.
(865) 988-9800, (865) 988-6619
Revised 09-20-2000










