Installation Guide
Manuals
Brands
Pulsar Manuals
Generators
5,250/4,250-Watt Dual Fuel Gasoline/Propane Powered Recoil Start Portable Generator with 224 cc Ducar Engine
17
18
19
20
21
22
23
24
25
26
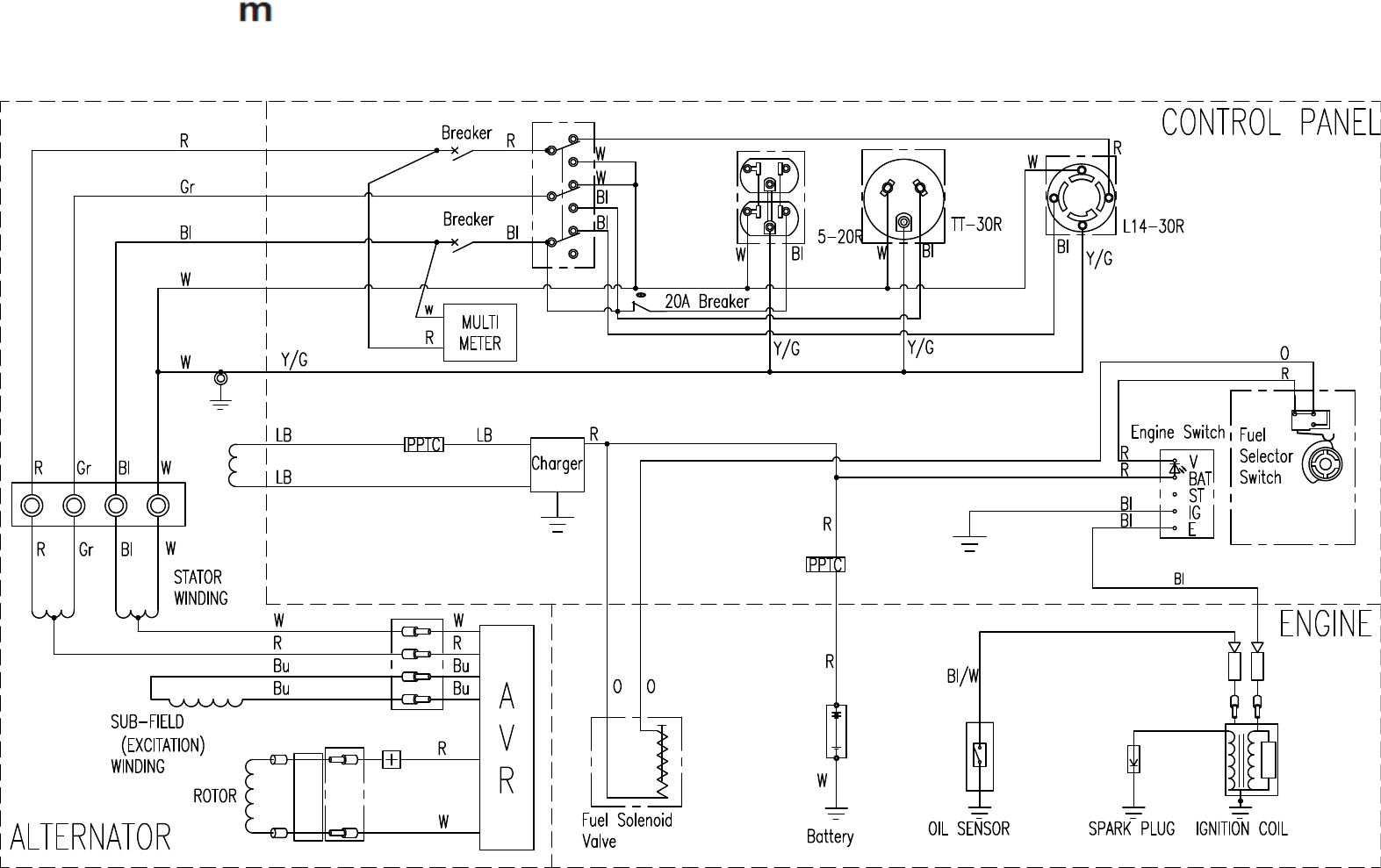
Wiring Diagra
26
1
...
...
24
25
26