User's Guide

Chapter 1: Introduction
Voltage monitoring
Power status monitoring, chassis intrusion monitoring
Remote power control topower‐on, power‐off or reboot a system
Remote access to text‐based, gra p hi c‐based system information,
including BIOS configurations and OS operation information
(KVM)Remote management of utility/software applications
Provides Network Management Security via remote access/console
redirection.
Keyfeatures
include:
o User authentication
enhancement
o Encryption support enhancement, allowing for password
configura
tion
security to protect sensitive data transferring via Serial
over LAN
o RMCP+ protocol
supported
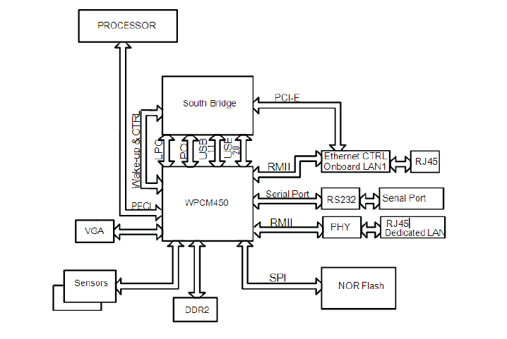
1.2 WPCM450 Block
Diagram
The following diagram represents a typical system setup for the WPCM450
Controller:
1.3 A Brief Introduction to the
IPMI
TheIntelligentPlatformManagementInterface(IPMI)Specificationprovides
remote
accessto multipleusersfromdifferentlocationsfornetworking.Italsoallows
a
system
administrator to monitor system health andmanage computer events
from
aremote
location.
IPMI operates independently of the operating system. WiththeWPCM450Controller
and
theIPMI software built in, the motherboard allows an
administrator
to access,
monitor, diagnose and manage a computer system from a remote
site.
Italsoprovides
remoteaccesstomultipleusersfromdifferentlocationsfor
system
maintenance and
network
management.










