User Manual
Manuals
Brands
R-tron Manuals
Electronics
CDMA Mini RF Repeater
11
12
13
14
15
16
17
18
19
20
CDMA
MINI
User’s Manual
-11-
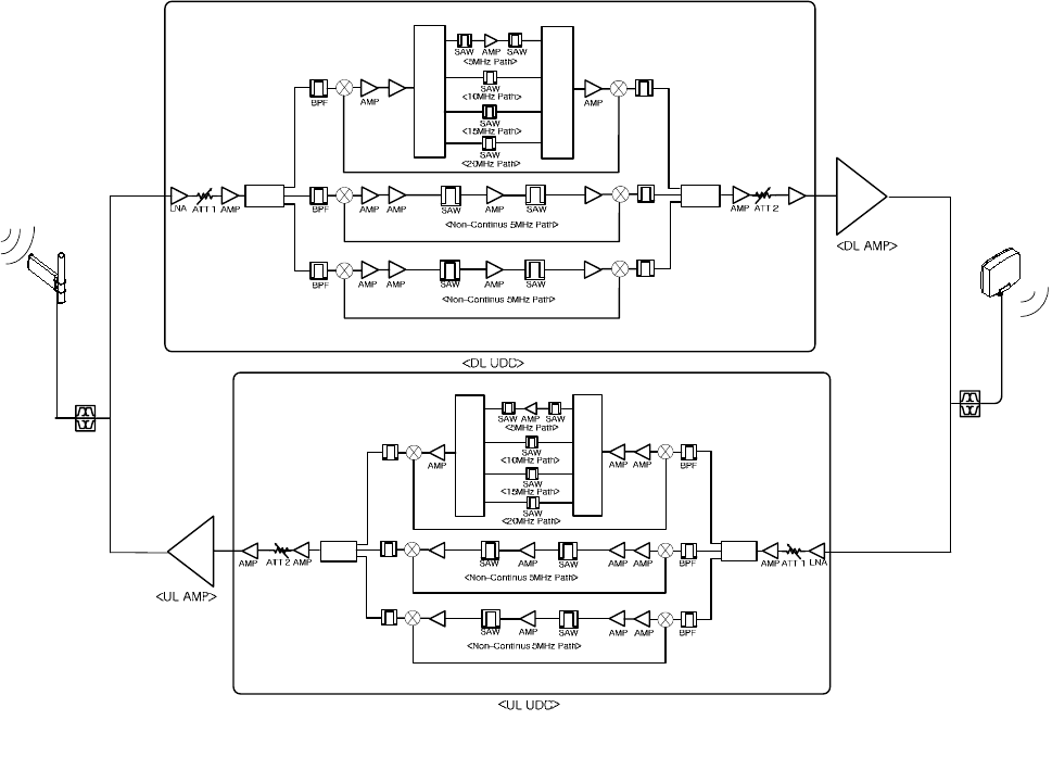
2.2.1 Block diagram
The following,
Figure
explains how the CDMA MINI se
rves signals.
3-Way
S/W
AMP
S/W
3-Way
AMP
Donor
antenn
a
Duplexer
Duplexer
Service
antenna
3-Way
S/W
S/W
3-Way
1
...
...
9
10
11
12
13
...
...
31