- RAD Data Communications Network Router User Manual
Table Of Contents
- Front Matter
- Quick Start Guide
- Contents
- Chapter 1 Introduction
- Chapter 2 Installation and Setup
- Chapter 3 Operation
- Chapter 4 Configuration
- Chapter 5 Setup Menu
- Chapter 6 Troubleshooting and Diagnostics
- Appendix A Interface Specifications and Cable Diagrams
- Appendix B Boot Manager
- Appendix C SNMP Management
- Appendix D Glossary
- DC Power Supply Connection
- Customer Response Form

FCD-IPM Installation and Operation Manual Chapter 5 Setup Menu
Interface Parameters Menu 5-37
T1 TIME SLOTS MAPPING: LINK 1 ( Device name - FCD-IPM )
-----------------------------
TS1 [DATA LINK1 ] TS13 [NC ]
TS2 [DATA LINK1 ] TS14 [I/O1 VOICE 1 ]
TS3 [NC ] TS15 [I/O1 VOICE 2 ]
TS4 [NC ] TS16 [NC ]
TS5 [FIX SUB-VOICE ] TS17 [NC ]
TS6 [FIX SUB-VOICE ] TS18 [NC ]
TS7 [FIX SUB-DATA ] TS19 [I/O2 VOICE 1 ]
TS8 [NC ] TS20 [I/O2 VOICE 4 ]
TS9 [NC ] TS21 [NC ]
TS10 [NC ] TS22 [NC ]
TS11 [NC ] TS23 [NC ]
TS12 [NC ] TS24 [NC ]
Enter time slot number (0 refers to all the time slots)
Press 'ENTER' - to toggle the time slot type
Press 'ESC' - to Return to previous menu
Time slot number :
Figure 5-42. T1 Time Slots Mapping Screen
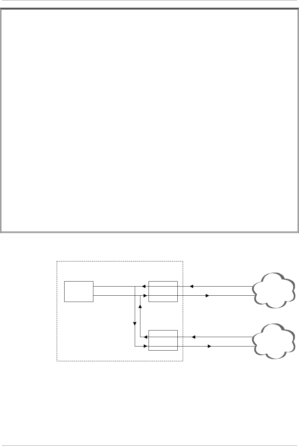
Link1
FCD-IPM (with Sub Link)
Router/Bridge
Sub Link
DATA LINK1
DATA LINK1
SUB-DATA
SUB-VOICE
SUB-DATA/SUB-VOICE
T1 Service
or PABX
T1
Service
Figure 5-43. Time Slots Mapping (for FCD-IPM with a T1 Sublink)
General Diagnostics
Select this option to allow you to select the card on which the diagnostics is to be
performed. A toggle option appears on the bottom of the screen. Use the
spacebar to toggle between the card types. Press Enter to access the diagnostics
screen.










