Owner`s manual

True to the Music
Radial Engineering Ltd.
SW8 Owner’s Manual
8
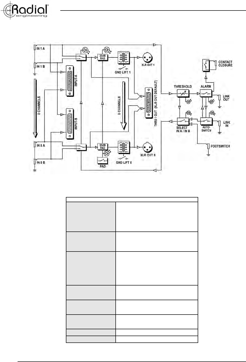
BLOCK DIAGRAM
SW8 Specifi cations
Input-A & B
1/4” phone: TRS balanced +4dB / unbalanced -10dB
D-Sub: DB25 balanced +4dB / unbalanced -10dB
Input impedance: 140K ohms typical (without Global PAD)
10k ohms typical (with Global PAD)
Direct Output
Type: Passive balanced signal path
Switching Time: 3ms maximum @ 20°C
XLR Output
Frequency response: 20Hz to 20kHz +/- 2.5dB
Total harmonic distortion: 0.01 % from 20Hz to 20kHz
Output impedance: 600 ohms
Output: -60dB (mic level) balanced (pin-2 hot)
PAD: -20dB ( Global - all channels)
Foot-SW
1/4” phone: Contact closure to ground
Contact Relay
1/4” phone: 5-24 VDC relay circuit
Dimensions: 9” x 6.5” x 1.75” (1RU)
482.6mm x 165.1mm x 44.45mm
Weight: 7.2 lbs. (3.26 kg.)
External Power supply: Output 15 VDC @ 400 mA