User guide

TL/H/10559
ADC1061 10-Bit High-Speed mP-Compatible A/D Converter with Track/Hold Function
December 1994
ADC1061 10-Bit High-Speed mP-Compatible
A/D Converter with Track/Hold Function
General Description
Using a modified half-flash conversion technique, the 10-bit
ADC1061 CMOS analog-to-digital converter offers very fast
conversion times yet dissipates a maximum of only 235 mW.
The ADC1061 performs a 10-bit conversion in two lower-
resolution ‘‘flashes’’, thus yielding a fast A/D without the
cost, power dissipation, and other problems associated with
true flash approaches.
The analog input voltage to the ADC1061 is tracked and
held by an internal sampling circuit. Input signals at frequen-
cies from DC to greater than 160 kHz can therefore be digi-
tized accurately without the need for an external sample-
and-hold circuit.
For ease of interface to microprocessors, the ADC1061 has
been designed to appear as a memory location or I/O port
without the need for external interface logic.
Features
Y
1.8 ms maximum conversion time to 10 bits
Y
Low power dissipation: 235 mW (maximum)
Y
Built-in track-and-hold
Y
No external clock required
Y
Single
a
5V supply
Y
No missing codes over temperature
Applications
Y
Waveform digitizers
Y
Disk drives
Y
Digital signal processor front ends
Y
Mobile telecommunications
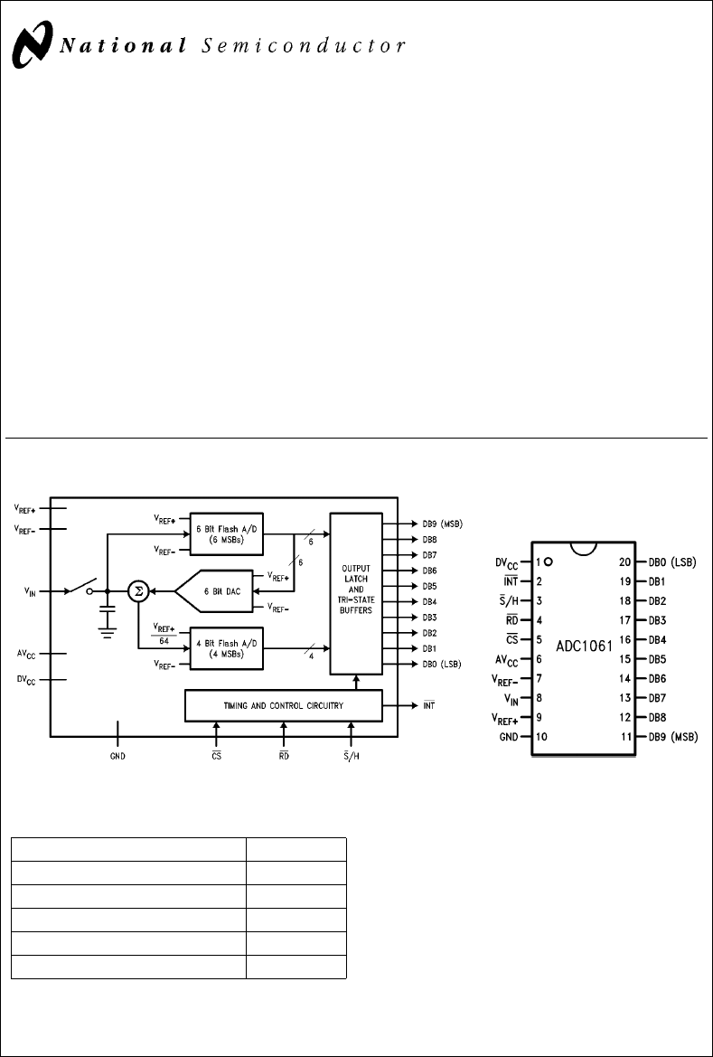
Simplified Block and Connection Diagrams
TL/H/10559–2
Dual-In-Line Package
TL/H/10559–1
Top View
Order Number
ADC1061CIJ, ADC1061CIN,
ADC1061CIWM or ADC1061CMJ
See NS Package J20A,
M20B or N20A
Ordering Information
Industrial (
b
40
§
C
s
T
A
s
85
§
C) Package
ADC1061CIJ J20A
ADC1061CIN N20A
ADC1061CIWM M20B
Military (
b
55
§
C
s
T
A
s
125
§
C) Package
ADC1061CMJ J20A
TRI-STATE
É
is a registered trademark of National Semiconductor Corporation.
C
1995 National Semiconductor Corporation RRD-B30M75/Printed in U. S. A.










