User Manual

TL/H/11830
ADC12L030/ADC12L032/ADC12L034/ADC12L038
3.3V Self-Calibrating 12-Bit Plus Sign Serial I/O A/D Converters with MUX and Sample/Hold
March 1995
ADC12L030/ADC12L032/ADC12L034/ADC12L038
3.3V Self-Calibrating 12-Bit Plus Sign Serial I/O
A/D Converters with MUX and Sample/Hold
General Description
The ADC12L030 family is 12-bit plus sign successive ap-
proximation A/D converters with serial I/O and configurable
input multiplexers. These devices are fully tested with a sin-
gle 3.3V power supply. The ADC12L032, ADC12L034 and
ADC12L038 have 2, 4 and 8 channel multiplexers, respec-
tively. Differential multiplexer outputs and A/D inputs are
available on the MUXOUT1, MUXOUT2, A/DIN1 and
A/DIN2 pins. The ADC12L030 has a two channel multiplex-
er with the multiplexer outputs and A/D inputs internally
connected. On request, these A/Ds go through a self cali-
bration process that adjusts linearity, zero and full-scale er-
rors to less than
g
(/2 LSB each.
The analog inputs can be configured to operate in various
combinations of single-ended, differential, or pseudo-differ-
ential modes. A fully differential unipolar analog input range
(0V to
a
3.3V) can be accommodated with a single
a
3.3V
supply. In the differential modes, valid outputs are obtained
even when the negative inputs are greater than the positive
because of the 12-bit plus sign two’s compliment output
data format.
The serial I/O is configured to comply with NSC’s MICRO-
WIRE
TM
and Motorola’s SPI standards. For complementary
voltage references see the LM4040, LM4041 or LM9140
data sheets.
Applications
Y
Portable Medical instruments
Y
Portable computing
Y
Portable Test equipment
Features
Y
0V to 3.3V analog input range with single 3.3V power
supply
Y
Serial I/O (MICROWIRE and SPI Compatible)
Y
2, 4, or 8 channel differential or single-ended
multiplexer
Y
Analog input sample/hold function
Y
Power down mode
Y
Variable resolution and conversion rate
Y
Programmable acquisition time
Y
Variable digital output word length and format
Y
No zero or full scale adjustment required
Y
Fully tested and guaranteed with a 2.5V reference
Y
No Missing Codes over temperature
Key Specifications
Y
Resolution 12-bit plus sign
Y
12-bit plus sign conversion time 8.8 ms (min)
Y
12-bit plus sign sampling rate 73 kHz (max)
Y
Integral linearity error
g
1 LSB (max)
Y
Single supply 3.3V
g
10%
Y
Power dissipation 15 mW (max)
Ð Power down 40 mW (typ)
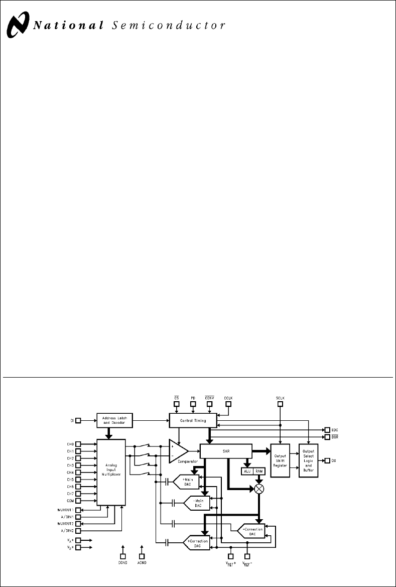
ADC12L038 Simplified Block Diagram
TL/H/11830– 1
TRI-STATE
É
is a registered trademark of National Semiconductor Corporation.
COPS
TM
microcontrollers, HPC
TM
and MICROWIRE
TM
are trademarks of National Semiconductor Corporation.
Microsoft
TM
is a trademark of Microsoft Corporation.
C
1995 National Semiconductor Corporation RRD-B30M75/Printed in U. S. A.










