Manual
1
Features
• Compatible with MCS
®
51 Products
• 4K Bytes of Reprogrammable Flash Memory
• Endurance: 1,000 Write/Erase Cycles
• 2.7V to 6V Operating Range
• Fully Static Operation: 0 Hz to 24 MHz
• Two-level Program Memory Lock
• 128 x 8-bit Internal RAM
• 15 Programmable I/O Lines
• Two 16-bit Timer/Counters
• Six Interrupt Sources
• Programmable Serial UART Channel
• Direct LED Drive Outputs
• On-chip Analog Comparator
• Low-power Idle and Power-down Modes
• Brown-out Detection
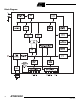
Description
The AT89C4051 is a low-voltage, high-performance CMOS 8-bit microcomputer with
4K bytes of Flash programmable and erasable read-only memory (PEROM). The
device is manufactured using Atmel’s high-density nonvolatile memory technology and
is compatible with the industry-standard MCS-51 instruction set. By combining a ver-
satile 8-bit CPU with Flash on a monolithic chip, the Atmel AT89C4051 is a powerful
microcomputer which provides a highly-flexible and cost-effective solution to many
embedded control applications.
The AT89C4051 provides the following standard features: 4K bytes of Flash,
128 bytes of RAM, 15 I/O lines, two 16-bit timer/counters, a five-vector, two-level inter-
rupt architecture, a full duplex serial port, a precision analog comparator, on-chip
oscillator and clock circuitry. In addition, the AT89C4051 is designed with static logic
for operation down to zero frequency and supports two software-selectable power sav-
ing modes. The Idle Mode stops the CPU while allowing the RAM, timer/counters,
serial port and interrupt system to continue functioning. The power-down mode saves
the RAM contents but freezes the oscillator disabling all other chip functions until the
next hardware reset.
Pin Configuration
PDIP/SOIC
1
2
3
4
5
6
7
8
9
10
20
19
18
17
16
15
14
13
12
11
RST/VPP
(RXD) P3.0
(TXD) P3.1
XTAL2
XTAL1
(INT0) P3.2
(INT1) P3.3
(TO) P3.4
(T1) P3.5
GND
VCC
P1.7
P1.6
P1.5
P1.4
P1.3
P1.2
P1.1 (AIN1)
P1.0 (AIN0)
P3.7
Rev. 1001D–06/01
8-bit
Microcontroller
with 4K Bytes
Flash
AT89C4051










