User Manual
Table Of Contents
- LM3812/LM3813
- General Description
- Key Specifications
- Features
- Applications
- Connection Diagrams
- Ordering Information
- Pin Description (High-Side, LM3812)
- Pin Description (Low-Side, LM3813)
- Absolute Maximum Ratings
- Operating Ratings
- Electrical Characteristics
- Typical Performance Characteristics
- Typical Application Circuits
- FIGURE 1. High Side Sense
- FIGURE 2. Low Side Sense
- FIGURE 3. Paralleling LM3812 for Higher Load Current ITOTAL = 2.2(D1-0.5)IMAX + 2.2(D2-0.5)IMAX
- FIGURE 4. High Voltage Operation - VIN Greater Than 5.25V (High Side Sense) (PWM output is referr
- FIGURE 5. High Voltage Operation - VIN Greater Than 5.25V (Low Side Sense)
- Product Operation
- PWM Output and Current Accuracy
- Look-Up Tables
- TABLE 2. Duty Cycle to Current Conversion Table
- Timing Diagram
- Physical Dimensions

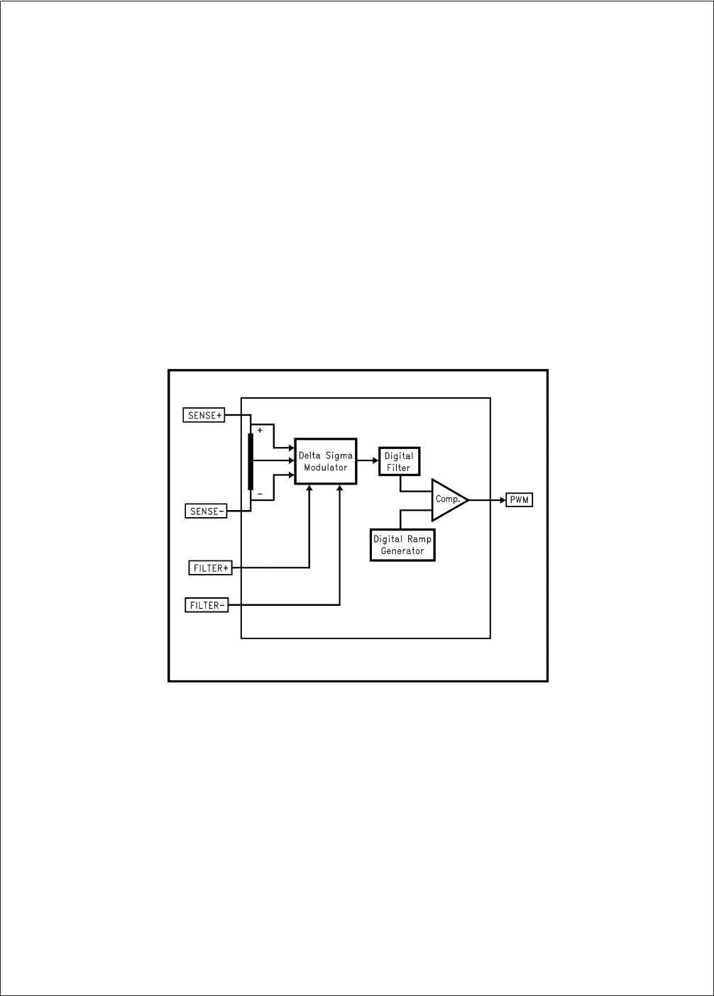
Product Operation
The current is sampled by the delta-sigma modulator, as
illustrated in Figure 6. The pulse density output of the delta-
sigma modulator is digitally filtered. The digital output is then
compared to the output of a digital ramp generator. This
produces a PWM output. The duty cycle of the PWM output
is proportional to the amount of current flowing. A duty cycle
of 50% indicates zero current flow. If the current is flowing in
positive direction, the duty cycle will be greater than 50%.
Conversely, the duty cycle will be less than 50% for currents
flowing in the negative direction. A duty cycle of 95.5%
(4.5%) indicates the current is at I
MAX
(−I
MAX
). The IC can
sense currents from −I
MAX
to +I
MAX
. Options for I
MAX
are 1A
or 10A. The sense current is given by:
I
SENSE
= 2.2 (D−0.5)(I
MAX
)
where D is the duty cycle of the PWM waveform, and I
MAX
is
the full scale current (1A or 10A). Similarly, the duty cycle is
given by:
D=[I
SENSE
/(2.2 I
MAX
)] + 0.5
For quick reference, see the Conversion Tables in Table 1
and Table 2.
The user should note that, while the LM3812-7.0/
LM3813-7.0 will read 10A full scale, it is rated for 10A
operation for a duration of no more than 200 msec, and
7A operation continuously.
In this IC, the current is averaged over 50 msec time slots.
Hence, momentary current surges of less than 50 msec are
tolerated.
This is a sampled data system which requires an anti-
aliasing filter, provided by the filter capacitor.
The delta-sigma modulator converts the sensed current to
the digital domain. This allows digital filtering, and provides
immunity to current and noise spikes. This type of filtering
would be difficult or impossible to accomplish on an IC with
analog components.
When ordering, the user has to specify whether the part is
being used for low-side or high-side sense. The user also
needs to specify the full scale value. See the Ordering
Information table for details.
10012210
FIGURE 6. Functional block diagram of LM3812 and LM3813
LM3812/LM3813
www.national.com 10