Owner manual
Table Of Contents
- Features
- Description
- Pin Configuration
- Pin Description: RF Part
- Pin Description: Microcontroller Part
- UHF ASK/FSK Transmitter Block
- Features
- Description
- General Description
- Functional Description
- Absolute Maximum Ratings
- Thermal Resistance
- Electrical Characteristics
- Microcontroller Block
- Features
- Description
- Introduction
- Microcontroller Architecture General Description
- Components of Microcontroller Core
- Master Reset
- Voltage Monitor
- Clock Generation
- Power-down Modes
- Peripheral Modules
- Bi-directional Ports
- Timer 3
- Features
- Timer/Counter Modes
- Timer 3 – Mode 1: Timer/Counter
- Timer 3 – Mode 2: Timer/Counter, External Trigger Restart and External Capture (with T3I Input)
- Timer 3 – Mode 3: Timer/Counter, Internal Trigger Restart and Internal Capture (with TOG2)
- Timer 3 – Mode 4: Timer/Counter
- Timer 3 – Mode 5: Timer/Counter, External Trigger Restart and External Capture (with T3I Input)
- Timer 3 Modulator/Demodulator Modes
- Timer 3 – Mode 6: Carrier Frequency Burst Modulation Controlled by Timer 2 Output Toggle FlipFlo...
- Timer 3 – Mode 7: Carrier Frequency Burst Modulation Controlled by SSI Internal Output (SO)
- Timer 3 – Mode 8: FSK Modulation with Shift Register Data (SO)
- Timer 3 – Mode 9: Pulse-width Modulation with the Shift Register
- Timer 3 – Mode 10: Manchester Demodulation/Pulse-width Demodulation
- Timer 3 – Mode 11: Biphase Demodulation
- Timer 3 – Mode 12: Timer/Counter with External Capture Mode (T3I)
- Timer 3 Modulator for Carrier Frequency Burst Modulation
- Timer 3 Demodulator for Biphase, Manchester and Pulse-width-modulated Signals
- Timer 3 Registers
- Timer 3 Mode Register (T3M)
- Timer 3 Control Register 1 (T3C) Write
- Timer 3 Status Register 1 (T3ST) Read
- Timer 3 Clock Select Register (T3CS)
- Timer 3 Compare- and Compare-mode Register
- Timer 3 Compare-Mode Register 1 (T3CM1)
- Timer 3 Compare Mode Register 2 (T3CM2)
- Timer 3 COmpare Register 1 (T3CO1) Byte Write
- Timer 3 COmpare Register 2 (T3CO2) Byte Write
- Timer 3 Capture Register
- Synchronous Serial Interface (SSI)
- Serial Interface Registers
- Combination Modes
- Absolute Maximum Ratings
- Thermal Resistance
- DC Operating Characteristics
- AC Characteristics
- Crystal Characteristics
- Ordering Information
- Package Information
- Table of Contents

54
T48C862-R8
4590B–4BMCU–02/03
Timer 2 COmpare Register 2
(T2CO2) Byte Write
Address: "7"hex - Subaddress: "5"hex
Timer 3
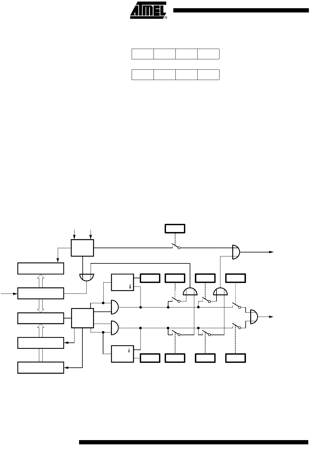
Features • Two Compare Registers
• Capture Register
• Edge Sensitive Input with Zero Cross Detection Capability
• Trigger and Single Action Modes
• Output Control Modes
• Automatically Modulation and Demodulation Modes
• FSK Modulation
• Pulse Width Modulation (PWM)
• Manchester Demodulation Together with SSI
• Biphase Demodulation Together with SSI
• Pulse-width Demodulation Together with SSI
Figure 49. Timer 3
First write cycle Bit 3 Bit 2 Bit 1 Bit 0 Reset value: 1111b
Second write cycle Bit 7 Bit 6 Bit 5 Bit 4 Reset value: 1111b
8-bit comparator
Compare register 1
RES
Capture register
8-bit counter
Compare register 2
Control
C31
C32
Control
T3SM1
NQ
D
T3RM1 T3IM1 T3TM1
TOG2 T3I
T3TM2T3IM2T3RM2T3SM2
NQ
D
CL3
T3EIM
TOG3
INT5
CM31
CM32
: T3M1
: T3M2










