User's Manual

UT5 - 15
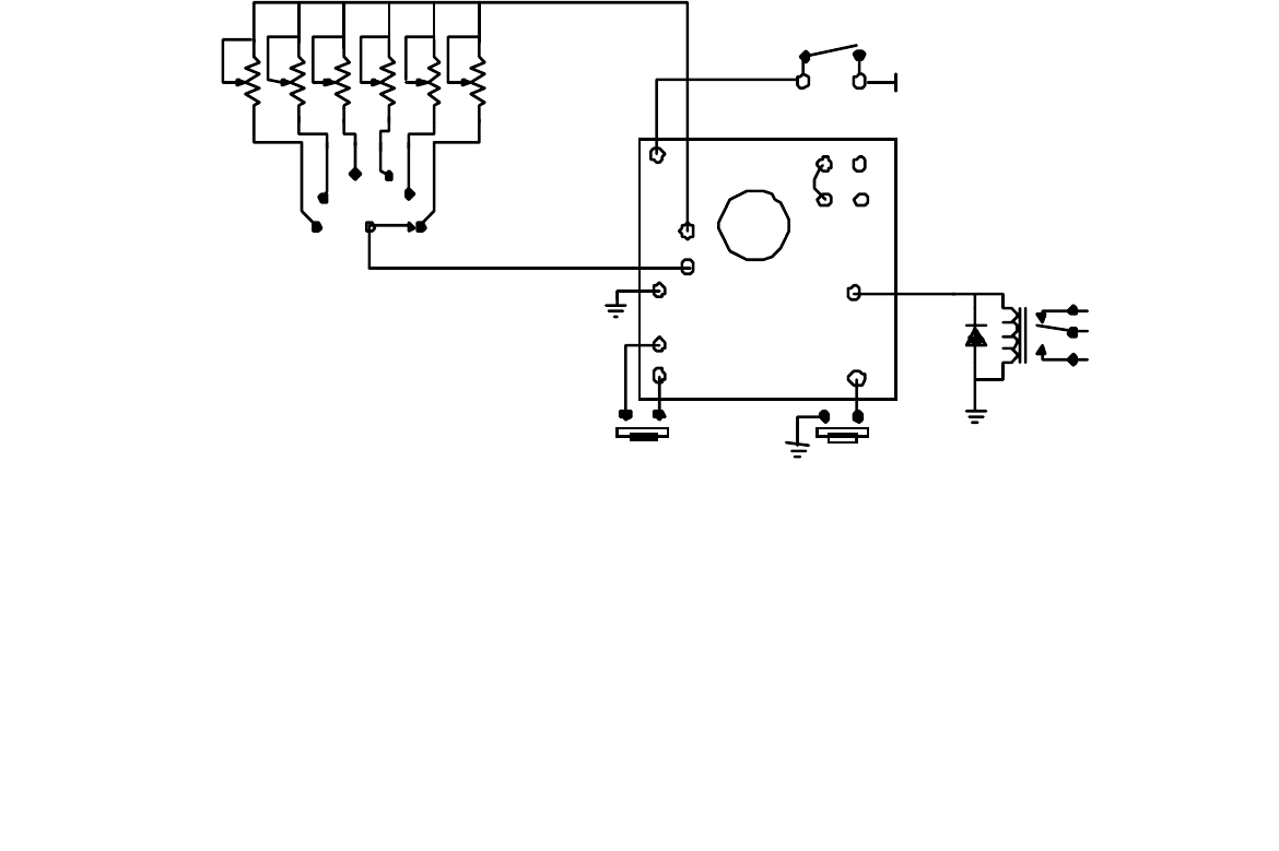
THE "ULTIMATE" UT5 PROJECT:
The 555 IC is so useful and the UT5 PC board connection and jumper points are so convenient, that you might like to
design your own "universal 555 test box" with monostable-astable switching, choice of internal or external DC supply,
choice of panel button or external positive/negative pulses, choice of built-in speaker or external output device, etc. etc.
Such a gizmo could clean up a lot of workbench clutter, save breadboarding time and put a lot of odd connectors and
switches to use!
+DC
RESET
START
SECONDS
DC on/off
C1+
A
B C
D
E
F
J1
RELAY
(coil under 100mA)
UT-5
R3
1
2
3 4
5
10
4148










