User's Manual
Manuals
Brands
Ramsey Manuals
Pill Reminder Device
Ramsey UNIVERSAL TIMER - OSCILLATOR UT5
1
2
3
4
5
6
7
8
9
10
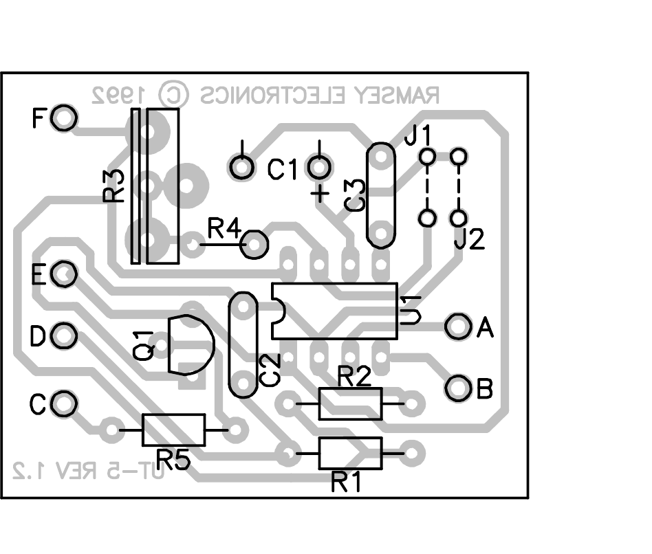
UT5 - 5
UT5 PARTS LAYOUT:
1
...
2
3
4
5
6
7
...
...
18