Installation Guide
Manuals
Brands
Rand and Reardon Manuals
Boilers
RRG Series 84% AFUE Gas Water Boiler with 130,000 BTU Input and 96,000 Output
11
12
13
14
15
16
17
18
19
20
14
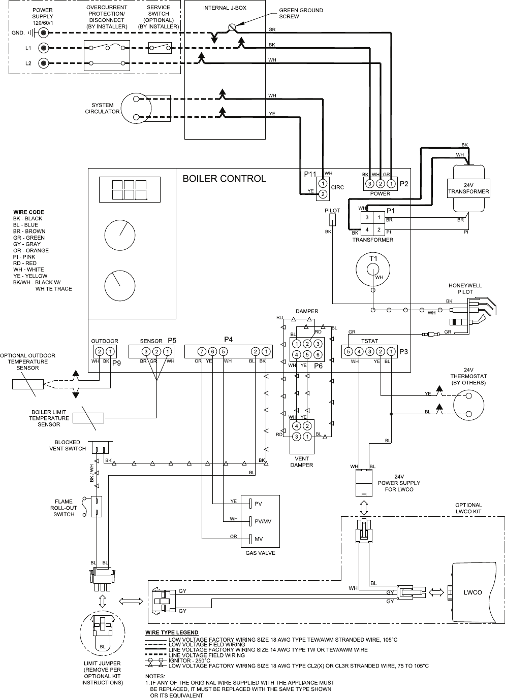
Figure 9: Wiring Connection Diagram
1
...
...
12
13
14
15
16
...
...
40