User guide
Manuals
Brands
Rapid-Air Manuals
Equipment
STRAIGHTENER: SC SERIES
11
12
13
14
15
16
17
18
19
20
20
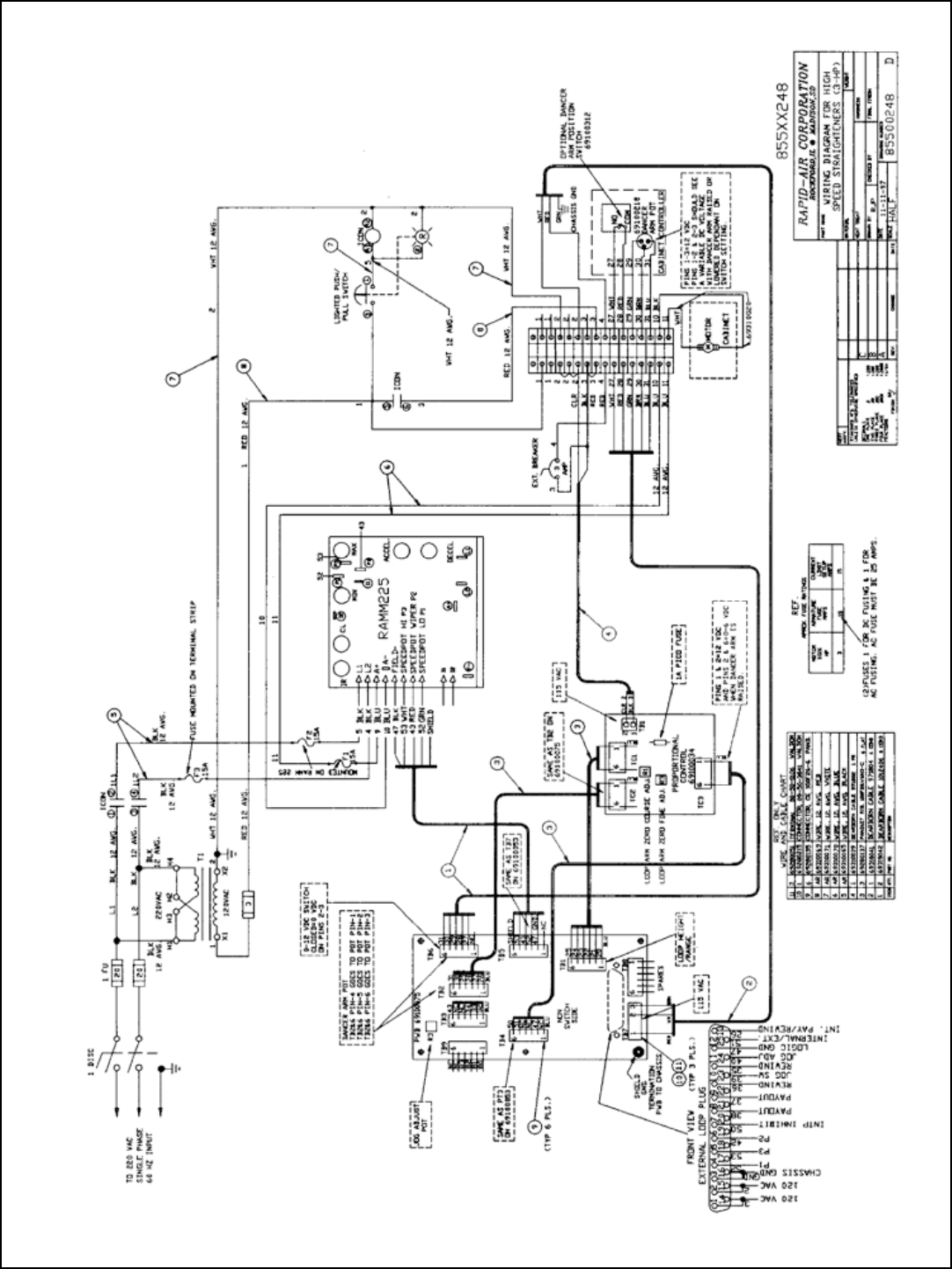
Wiring Diagram for High Speed Straighteners (3-HP)
1
...
...
18
19
20
21
22
...
...
25