Operating instructions
Manuals
Brands
Raypak Manuals
Heating System
0135B
11
12
13
14
15
16
17
18
19
20
16
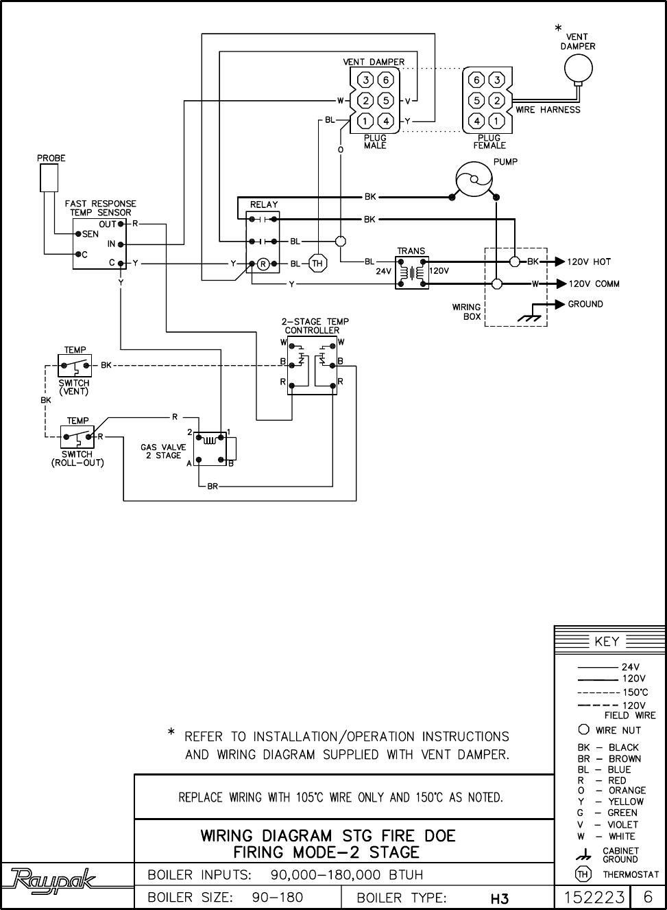
WIRING DIAGRAM KEY
1
...
...
14
15
16
17
18
...
...
39