
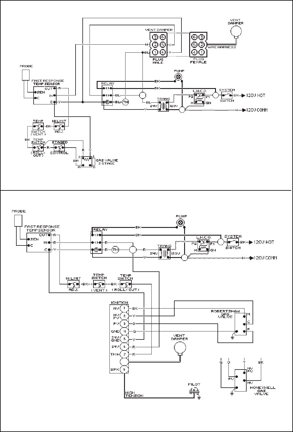
WIRING DIAGRAM: Standing Pilot With Low Water Cut-off Device
Fig. # 2223.1e
Note: Low water cut-off (LWCO) and system switch supplied by others.
WIRING DIAGRAM: IID Units With Low Water Cut-off Device
Note: Low water cut-off (LWCO) and system switch supplied by others.
22
Fig. # 2357E