Emulation Probe User's Manual

Table Of Contents
( 60 / 76 )
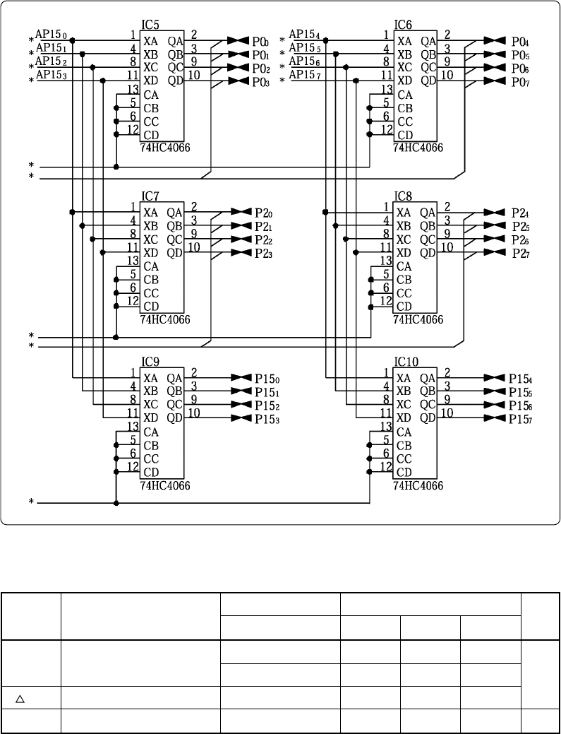
Figure 5.2 Connection diagram (2/2)
Table 5.2 Electrical characteristics of the 74HC4066
Symbol Parameter
Max.
-
100
-
±100
Standard values
nA
Standard
160
70
10
-
Min.
-
-
-
-
Measuring condition
Vcc
2.0
4.5
4.5
12.0
Unit
ON resistor
ON resistor difference
Switch input leak current
RON
IIN
RON