Technical information
Table Of Contents
- Cover
- Keep safety first in your circuit designs!
- Notes regarding these materials
- Preface
- Contents
- Section 1 Configuration
- Section 2 Connection Procedures
- Section 3 Installing the MCU to the User System
- Section 4 Verifying Operation
- Section 5 Notice
- Colophon

16
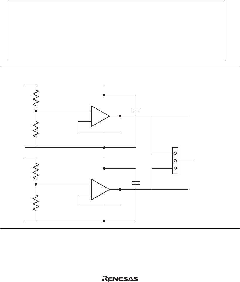
6. A level-shift circuit with AVcc0 and AVcc1 is mounted on the user system interface cable, as
shown in figure 12. At shipment, the jumper pin is inserted in the side of pins 1 and 2 of the P4
short connector. For details on the differences between the target MCU and the emulator, refer to
the H8SX/1650 E6000H Emulator User's Manual (HS1650EPH60HE). For the ranges of input
voltages of AVcc0 and AVcc1, refer to the H8SX/1520 Group Hardware Manual.
CAUTION
Insert the jumper pin in the P4 short connector so that
the higher voltage between AVcc0 and AVcc1 is selected.
Select either AVcc0 or AVcc1 when their potentials are
the same. Do not use the emulator without jumper pins.
AVcc0
AVss
AVcc1
AVss
1.03 k
2 k
1.03 k
2 k
+
-
+
-
5 V
5 V
1
3P4
UVREF3
AVcc of MCU
of the emulator
station
UVREF1
Settings of short connector:
Between pins 1 and 2: AVcc0
Between pins 2 and 3: AVcc1
User system interface Emulator station
Figure 12 Level-shift Circuit with AVcc0 and AVcc1