Datasheet

Table Of Contents
16. Programmable I/O Ports
page 219
923fo7002,51.beF00.2.veR
0020-2020B90JER
)T62/C61M,B62/C61M,A62/C61M(puorGA62/C61M
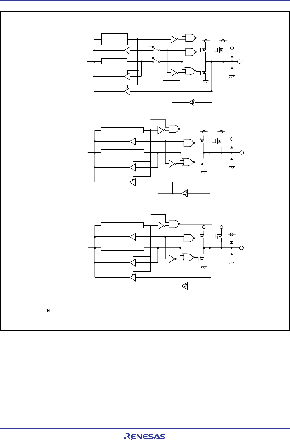
Figure 16.2. I/O Ports (2)
Data bus
Pull-up selection
Direction register
Port latch
Data bus
Pull-up selection
Direction register
Port latch
Input to respective peripheral functions
Input to respective peripheral functions
"1"
Output
Data bus
Direction
register
Port latch
Pull-up selection
(1)
Input to respective peripheral functions
Switching
between
CMOS and
Nch
(1)
(1)
NOTE:
1. symbolizes a parasitic diode.
Make sure the input voltage on each port will not exceed Vcc.
P7
0
to P7
3
P8
2
to P8
4
P6
2
, P6
6
, P7
7