Datasheet

Table Of Contents
17. Flash Memory Version
page 258
923fo7002,51.beF00.2.veR
0020-2020B90JER
)T62/C61M,B62/C61M,A62/C61M(puorGA62/C61M
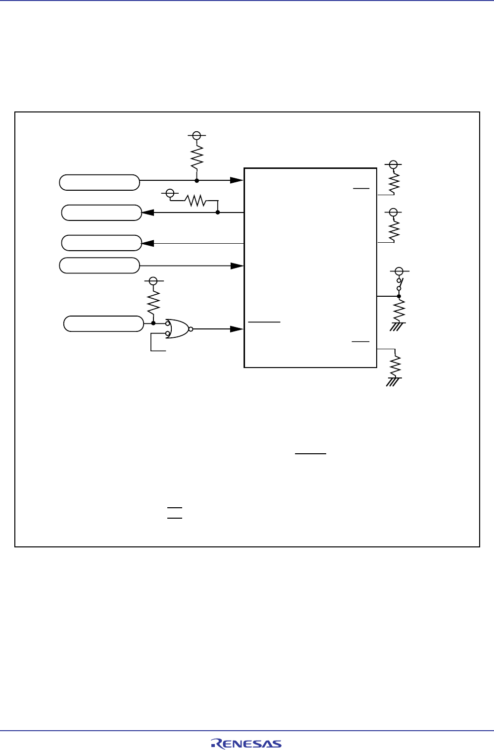
17.9.2 Example of Circuit Application in Standard Serial I/O Mode
Figure 17.9.2.1 shows an example of a circuit application in standard serial I/O mode 1 and Figure
17.9.2.2 shows an example of a circuit application in standard serial I/O mode 2. Refer to the user's
manual for a serial writer to handle pins controlled by the serial writer.
Figure 17.9.2.1. Circuit Application in Standard Serial I/O Mode 1
SCLK input
BUSY output
TxD output
RxD input
BUSY
SCLK
T
XD
CNVss
P8
6(CE)
RESET
RxD
Reset input
User reset
singnal
Microcomputer
(1) Controlling pins and external circuits vary with the serial programmer. For more
information, refer to the user's manual included with the serial programmer.
(2) In this example, a selector controls the input voltage applied to CNVss to switch
between single-chip mode and standard serial I/O mode.
(3) In standard serial input/output mode 1, if the user reset signal becomes L while
the microcomputer is communicating with the serial programmer, break the
connection between the user reset signal and the RESET pin using a jumper
switch.
P8
5(RP)
(1)
(1)
NOTE:
1. Set following either or both
Connect the CE pin to V
CC
Connect the RP pin to VSS and the P16 pin to VCC
P16
(1)