Datasheet

Table Of Contents
7. Clock Generation Circuit
page 45
923fo7002,51.beF00.2.veR
0020-2020B90JER
)T62/C61M,B62/C61M,A62/C61M(puorGA62/C61M
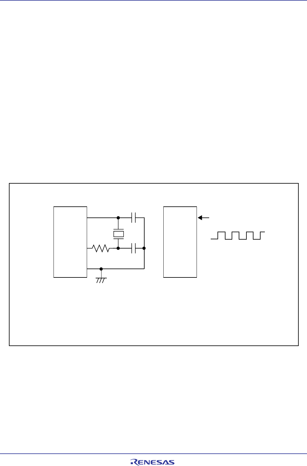
Figure 7.1.1. Examples of Main Clock Connection Circuit
The following describes the clocks generated by the clock generation circuit.
7.1 Main Clock
The main clock is generated by the main clock oscillation circuit. This clock is used as the clock source for
the CPU and peripheral function clocks. The main clock oscillator circuit is configured by connecting a
resonator between the XIN and XOUT pins. The main clock oscillator circuit contains a feedback resistor,
which is disconnected from the oscillator circuit during stop mode in order to reduce the amount of power
consumed in the chip. The main clock oscillator circuit may also be configured by feeding an externally
generated clock to the XIN pin. Figure 7.1.1 shows the examples of main clock connection circuit.
The main clock after reset oscillates in the M16C/26A and M16C/26B, but stop in the M16C/26T.
The power consumption in the chip can be reduced by setting the CM05 bit in the CM0 register to 1 (main
clock oscillator circuit turned off) after switching the clock source for the CPU clock to a sub clock or on-chip
oscillator clock. In this case, XOUT goes H. Furthermore, because the internal feedback resistor remains
on, XIN is pulled H to XOUT via the feedback resistor.
During stop mode, all clocks including the main clock are turned off. Refer to 7.6 power control.
If the main clock is not used, it is recommended to connect the XIN pin to VCC to reduce power consump-
tion during reset.
External Clock
XIN
XOUT
Open
V
CC
V
SS
NOTE:
1. Insert a damping resistor if required. Resistance value varies depending on the oscillator setting.
Use resistance value recommended by the oscillator manufacturer. If the oscillator manufacturer
recommends that a feedback resistor be added to the chip externally, insert a feedback resistor
between X
IN
and X
OUT
.
2. The external clock should not be stopped when it is connected to the X
IN
pin and the main clock is
selected as the CPU clock.
Oscillator
Rd
(1)
C
IN
C
OUT
X
IN
X
OUT
MCU
(Built-in Feedback Resistor)
MCU
(Built-in Feedback Resistor)
V
SS