Starter Kit User's Manual
Table Of Contents
- Notes regarding these materials
- Precautions on Using The Product Described Herein
- For Inquiries About Product Contents or This Manual
- Preface
- Contents
- 1. Overview
- 2. Contents of the Product Package
- 3. Usage Precautions
- 4. Starter Kit Usage Conditions
- 5. Hardware Setup
- 6. Software Setup
- Appendix 1 Contents of CD-ROM
- Appendix 2 Part List
- Appendix 3 M3A-2152G02 Product Standards
- 1. Overview
- 2. Functional Specifications
- 2.1 Configuration of the Power Supply
- 2.2 FP Select Circuit
- 2.3 MOD Select Circuit
- 2.4 Serial I/O Interface
- 2.5 Oscillator Circuit
- 2.6 General-purpose Output Port LED Indicators
- 2.7 General-purpose Input Port Control Circuit
- 2.8 Analog Port Input Control Circuit
- 2.9 CAN Interface
- 2.10 JTAG Peripheral Circuit
- 3. Reference Data
- REVISION HISTORY

32176 Group
Starter Kit User’s Manual M3A-2152
REJ10B0224-0300/Rev.3.00 Jan. 2007 Page 49 of 82
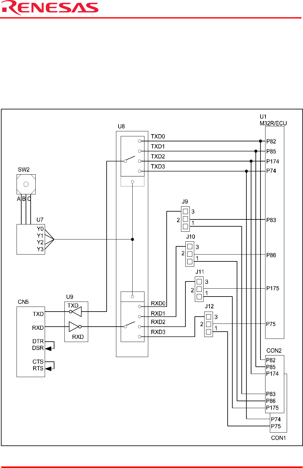
2.4 Serial I/O Interface
The evaluation board is interfaced to the host PC (DOS/V) through its RS-232C by using SIO of the
M32R/ECU.
Of the RS-232C control signals, only TXD and RXD are used for connection to the host PC (DOS/V).
The unused CTS and RTS are directly-coupled to configure a loop-back. The unused DSR and DTR
also are configured in a similar manner. The serial I/O interface is configured in such a way that
only one serial I/O channel can be used at a time.
Any of the four channels 0–3 can be selected using a rotary switch.
Figure 2.4 Serial I/O Interface