Digital Amplifier Specification Sheet

Rev.1.00 2003.05.08
page 5 of 23
M65881AFP
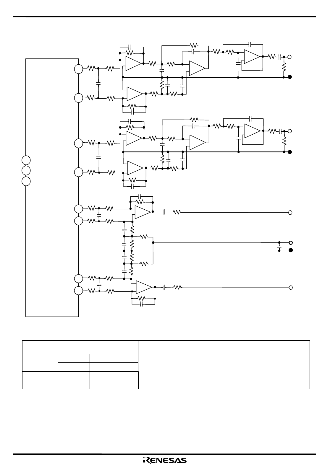
CHARACTERISTICS EVALUATION CIRCUIT
OUTR2
OUTR1
16
17
18
+
-
+
-
-
+
M65881AFP
39
41
OUTL1
OUTL2
-
+
+
-
+
-
-
+
2
4
HPOUTL1
HPOUTL2
-
+
+
-
33
31
HPOUTR2
HPOUTR1
27
29
GND
Power Supply
GND
GND
Reference characteristic
S/N
THD+N
102dB(typ)
0.002%(typ)
Conditions
• Input :1kHz 0dB Full scale sine wave
• FS :Primary clock 44.1kHz, Secondary clock 48kHz
• PWM Output format 1 • AC dithering E • DC dithering : 0.1%
• Gain data setting : (Index) 10000b/ (Mantissa) 10000000b
• THD+N: Filter 20kHz LPF S/N: Filter 22kHz LPF + JIS-A
S/N
THD+N
100dB(typ)
0.006%(typ)
Output for
Power Stage
Output for
Headphone
-
+
LRCK
BCK
DATA










