User Manual

Series PA/F, PA/S Page 13
9510-060-en Revision 02
TM 7165 Edition 06/2008
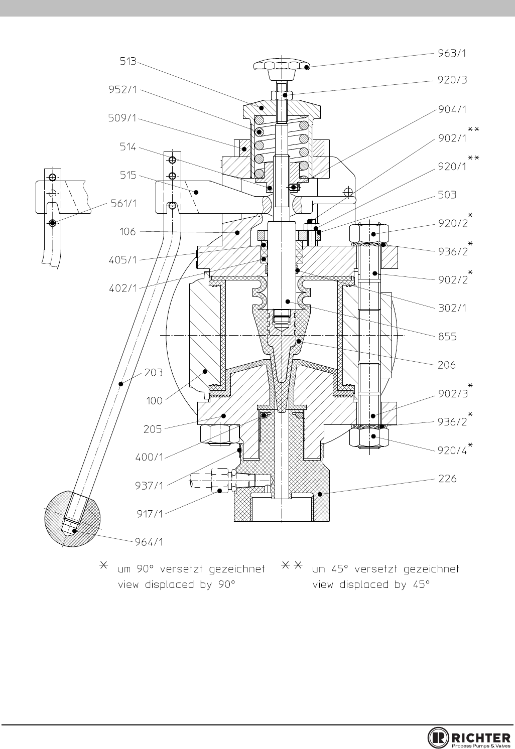
10.2 Sectional drawing PA/F