User Manual

Series PA/F, PA/S Page 17
9510-060-en Revision 02
TM 7165 Edition 06/2008
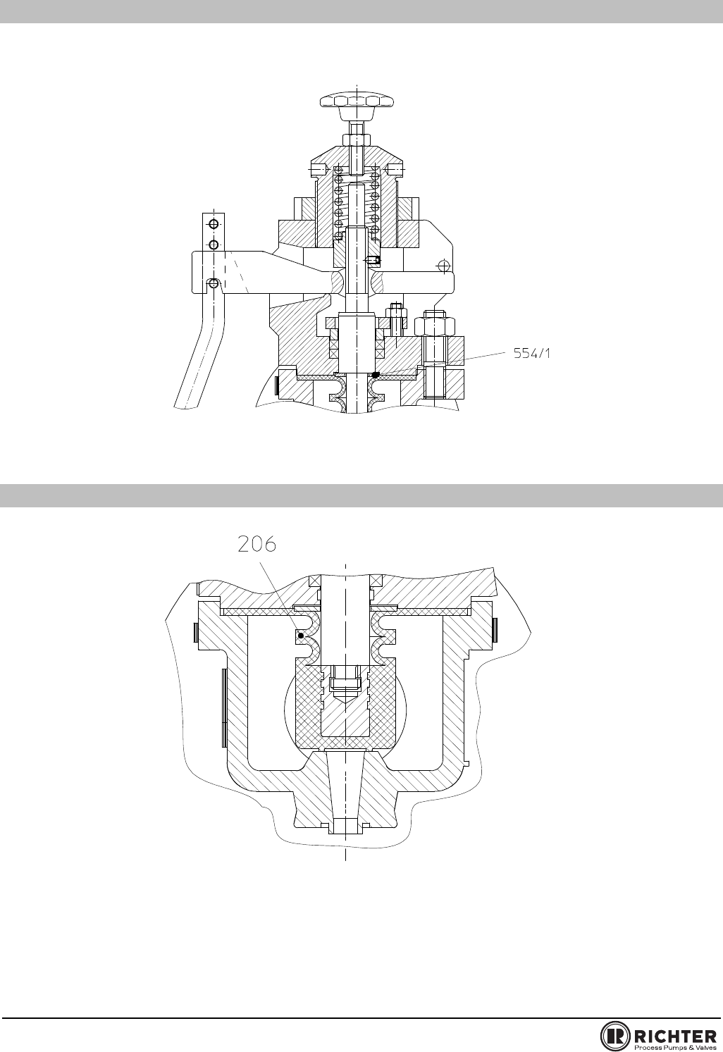
10.7 Detail PA/S DN 25
10.8 PA/S, PAP/S Option high-viscosity media