User Manual

Series PA/F, PA/S Page 18
9510-060-en Revision 02
TM 7165 Edition 06/2008
10.9 PA/S Vertical installation
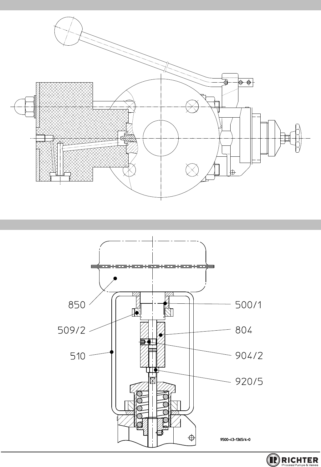
10.10 PAP/F, PAP/S